EasyManua.ls Logo

Friedrich KCM18A30A - Page 82

Friedrich KCM18A30A
91 pages
Print Icon
To Next Page IconTo Next Page
To Next Page IconTo Next Page
To Previous Page IconTo Previous Page
To Previous Page IconTo Previous Page
Loading...
82 PB
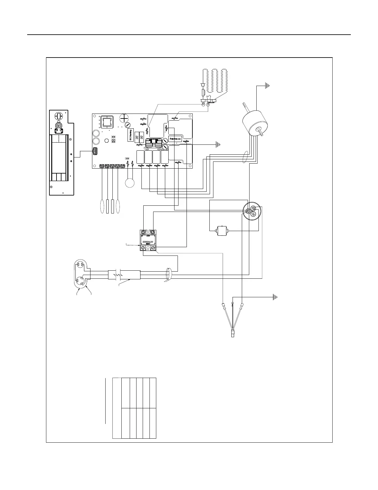
R
S
C
-
F
-
-
F
-
-
F
-
R
E
D
B
L
U
E
B
L
A
C
K
F
A
N
H
E
R
M
c
HPS
HEATER
RELAY
FAN 1
RELAY
FAN 2
RELAY
FAN 3
RELAY
RV SWITCH
RELAY BOARD
TERMINAL DETAIL
COMPRESSOR WIRING NOTE:
COMPRESSOR COMMON-START- RUN TERMINAL POSITION
COULD VARY. WIRING SHOWN IS FOR OPERATOR INFORMATIONAL
POINT TO POINT WIRING PURPOSES. REFER TO THE COMPRESSOR
SPECIFICATION AND/OR THE TERMINAL COVER AND/OR TERMINAL
GASKET FOR SPECIFIED COMMON, START, & RUN TERMINAL LOCATION.
OLP JUMPER
IF REQ'D
COMPRESSOR
HARNESS COMPR
WIRE
ASSY PANEL FRONT
RAC GEN IV-USER INTERFACE
TO
DISPLAY
SENSORS
INDOOR COIL
(YELLOW)
OUTDOOR COIL
(BLUE)
DISHCHARGE AIR
(BLACK)
AMBIENT AIR
(WHITE)
RED
BLUE
TO INNERWALL/
MOTOR MOUNT
MOTOR
WHITE
WHITE
G
R
E
E
N
WHITE
BLACK
RED
BLUE
BLACK
FOR SENSOR
CONNECTIONS
SEE TABLE 1 FOR COLOR
CODE PIN CONNECTIONS
ELECTRONIC CONTROL
RED
BLUE
BLACK
6
L1
N/L2
G
R
E
E
N
AMB TEMP SENSOR
ID COIL TEMP SENSOR
OD COIL TEMP SENSOR
DISCH AIR TEMP SENSOR
HIGH PRESSURE
SWITCH/JUMPER
POWER CORD
TO CHASSIS
B
L
U
E
B
L
A
C
K
BLACK
HEATER
COMP
RELAY
HEATER
RELAY
O
R
A
N
G
E
R
E
D
W
H
I
T
E
PTCR
WHITE
BLUE
FAN 4
RELAY
WHITE
WHITE
YELLOW
RELAY SSR
Table 1
COLOR
USED ON MODEL
KEL36A35
FAN 4 RELAY NOTE:
FAN 4 RELAY IS USED TO
POWER THE FAN FOR THIS
MODEL
THIS MODEL HAS 3 FAN
SPEEDS, NOT 4
5.2 KW HEATER
ELEMENT
9.15 OHM COLD
RESISTANCE
READING
WIRING DIAGRAMS
Figure 807 (Wiring Diagrams)

Table of Contents

Related product manuals