EasyManua.ls Logo

Frigidaire F44N21CE - Page 14

Frigidaire F44N21CE
15 pages
Print Icon
To Next Page IconTo Next Page
To Next Page IconTo Next Page
To Previous Page IconTo Previous Page
To Previous Page IconTo Previous Page
Loading...
02/01 14
Publication No. FRT21LRF, FRT21NRF & F44N21CE
5995350419
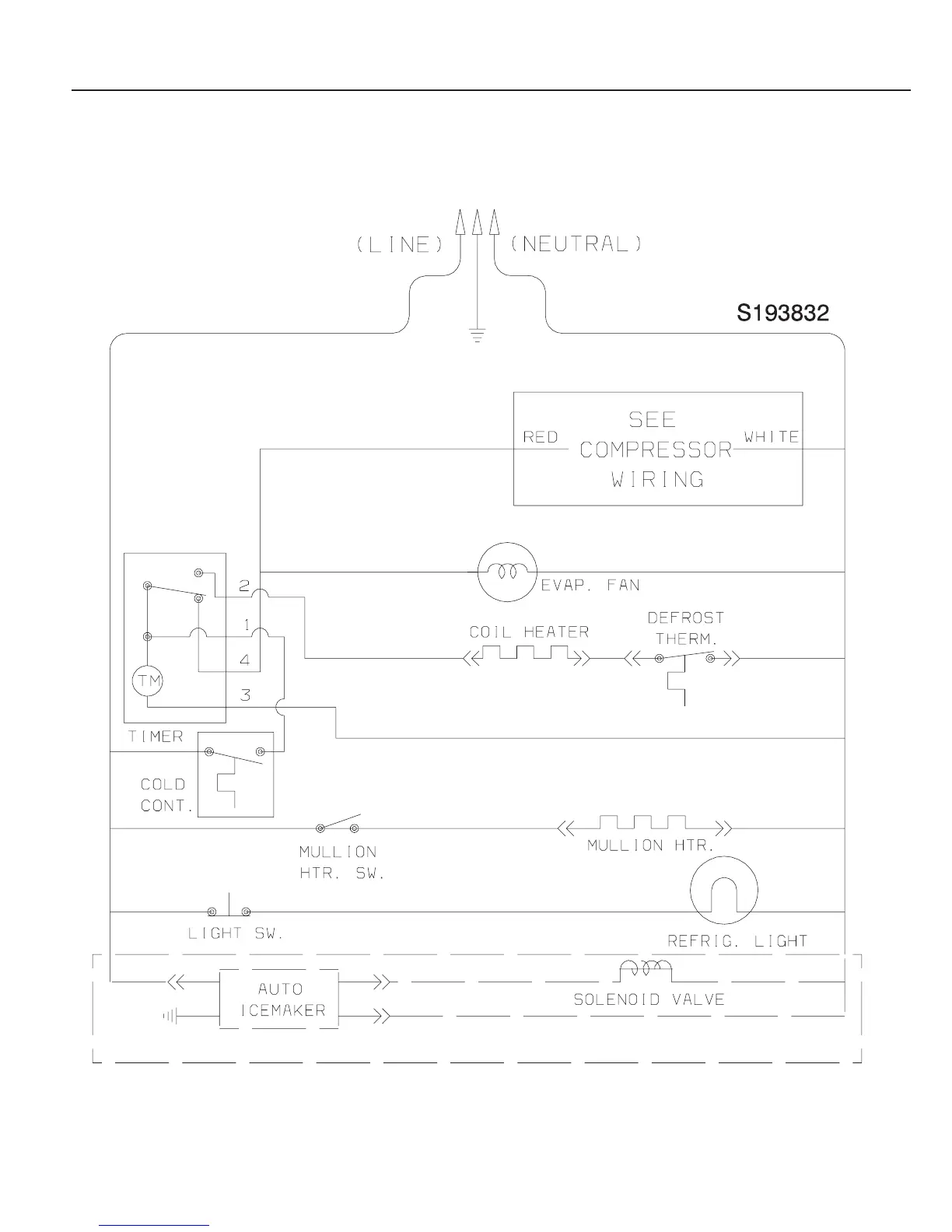
WIRING SCHEMATIC

Related product manuals