EasyManua.ls Logo

Frigidaire FGHC2334K - Wiring Diagram

Frigidaire FGHC2334K
23 pages
Print Icon
To Previous Page IconTo Previous Page
To Previous Page IconTo Previous Page
Loading...
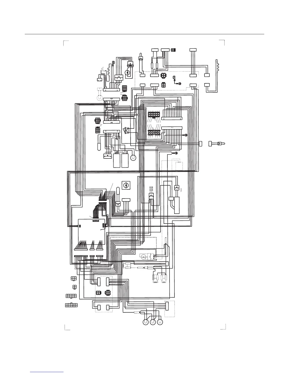
FGHC2334K / FGHC2344K Publication No: 5995538856
# Functional Parts
23 04/09
* Non-Illustrated Parts
WIRING DIAGRAM
1
2
34
GRY/BLK
GRY/BLK
MID
LEVEL
LIGHT
CRISPER
LIGHT
YELL
O
W
WATER
DISPENSER
VA
L
V
E
GREEN
I/M
WATER
VA
L
V
E
VARIABLE
SPEED
COMPRESSOR/
INV
.
5 V
DC
(120V
AC
REF
.
)
BLK
RED
LT.
B
L
U
BLK
BLK/WHT
RED/BLK
SEE
S
TA
NDARD
COMPRESSOR
WIRING
COMPRESSOR
GROUND
BLU/WHT
BLK
BRN
YEL/BLK
GRY/BLK
GRY/BLK
YEL/RED
YEL/PNK
YEL/GRY
YEL
PUR/BLK
LT
.
B
L
U
BROWN
MAIN
WATER
VA
L
V
E
COND
.
F
AN
SPLICE
RIBBED
NON-RIBBED
DAMPER
MOTO
R
RED/YEL
BRN/YEL
BLK/YEL
WHT/YEL
1
2
3
4
GRY/BLK
GRY/BLK
FRESH
F
OOD
THERMIST
OR
FRZR
LIGHT
A
U
G
E
R
M
OTO
R
SOLENOID
ICE M
AKER
FREEZER
THERMIST
OR
GRY/WHT
GRY/WHT
6
5
4
T
A
N/YEL
DIODE
DIODE
SPLICE
SPLICE
SPLICE
DIODES
MUST
BE
POLARIZED
IN
SAME
DIRECTION
YEL
TA
N
1
2
3
4
5
6
7
8
9
LATC
H
1
2
3
4
5
6
7
8
9
10
11
12
1
2
3
4
5
6
1
2
3
4
5
6
7
8
9
10
11
12
LA
T
C
H
CA
T
C
H
9
8
7
3
2
1
GRN/YEL
BL
U/WHT
YEL/RED
GRY/WHT
GRY/WHT
PUR
BLK
YEL
LT
.
B
L
U
1
2
3
4
5
6
7
8
9
CA
T
C
H
FRZR
DOOR
GROUND
FRZR
FAN
(DC)
FROM
DOOR
TO
H
I
N
GE
CA
T
C
H
LA
T
C
H
1
2
3
4
5
6
7
8
9
1
2
3
4
5
6
7
8
9
BRN
BL
U
YEL
RED
DRAIN
TROUGH
DEFROST
THERM
.
DEFROST
HEA
TER
BLU
YEL/RED
LT
.
B
L
U
FRZR
MID
MOUNT
LIGHT
DK.BLU
/WHT
YEL/WHT
RED/WHT
GRN/YEL
YEL/RED
LT
.
B
L
U
1
2
3
4
5
6
7
8
9
ALL
W
IRE
CONNECTIONS
MARKED
BY
"
o"
SYMBOL
.
2419129
2
1
LIGHT
S
WIT
C
H
(DOOR
O
PEN)
(FF)
DOOR
INLINES
1
4
2
5
3
6
1
3
2
4
1
2
3
4
5
6
12
11
10
9
8
7
LT
.
B
L
U
LT
.
BL
U
TAN
PUR/BL
K
BL
U/W
H
T
Y
E
L/RED
R
E
D/BLK
Y
E
L/BLK
BL
K
/
WH
T
YEL/G
RY
LT
.
B
L
U
LT
.
BL
U
BLK
LT
.
B
L
U
LT
.
BL
U
GRN/Y
EL
YEL/PNK
LT
.
B
L
U
LT
.
BL
U
BLK
BRN
RED
J1
J2
J3
J9A
J7
J6
1
1
1
1
1
1
1
1
1
1
234
GRN/YEL
BLK
LT.
B
L
U
YEL/BLK
NEUTRAL
GROUND
LINE
12
YEL/GRY
YEL/BLK
3
WHT
BLK
RED
2
1
3
TO
U
I
COMM
.
CONN
.
DISPENSER
HOUSING
HEA
TER
2
1
RED
LT.
B
L
U
2
1
3
TO
I&W
MODULE
4
TO
U
I
PWR
.
CONN
.
1
3
2
SPLICE
2
1
3
4
SPLICE
1
2
LIGHT
SWIT
CH
(DOOR
OPEN)
(FRZ)
YEL/RED
YEL/PNK
1
2
3
4
1
2
3
4
12
TO
P
LIGHT
SPLICE
TO
P
T
D
1
2
3
4
1
GRY/WHT
GRY/WHT
GRY/BLK
GRY/BLK
BRN/BLK
BRN/BL
U
DK.
B
LU/WHT
RED/WHT
BRN/WHT
YEL/WHT
WHT/YEL
BRN/YEL
BLK/YEL
RED/YEL
BRN
BRN/WHT
BLK
BRN/BLK
LT
.
B
L
U
BRN/BLU
DOOR
HINGE
GROUND
A1
B1
A2
B2
GRN/YEL
BLK
YEL/BLK
LT.
B
L
U
LT
.
BL
U
OPTIONAL
MAIN
B
OARD
MAIN
BOARD
RED
J3
1
2
3
5
4
6
1
2
3
4
J2
1
2
3
4
5
6
J1
7
8
9
10
11
12
PIN
1
PIN
1
PIN
1
1
1
2
2
3
3
4
4
5
6
7
8
9
10
11
12
13
14
5
6
7
8
9
10
11
12
13
14
1
GRY/WHT
2
GRY/BLK
3
R
ED/YEL
4
B
LK/YEL
5BR
N
/
Y
EL
6
W
HT/YEL
7B
R
N
/
B
L
U
8
GRY/WHT
9
GRY/BLK
10
YEL/WHT
11
BRN/WHT
12 RED/WHT
13
DK
.
B
L
U
/WHT
14
BRN/BLK
PIN 1
PIN
1
MB
INLINE
1
2
3
4
5
6
J7
7
8
9
10
11
12
13
14
---MACH
. COMPT
.-FRESH
FOOD
INLINES
FREEZER
-ICEMAKER
INLINE
FREEZER
-MACH
.
COMPT
.
FREEZER
-MACH
.
COMPT
.
INLINE
FREEZER
-LOW SIDE
INLINE
AUGER
SWIT
CH

Related product manuals