EasyManua.ls Logo

Frigidaire FKCH17F7HW - Wiring Diagram

Frigidaire FKCH17F7HW
63 pages
Print Icon
To Next Page IconTo Next Page
To Next Page IconTo Next Page
To Previous Page IconTo Previous Page
To Previous Page IconTo Previous Page
Loading...
6-2
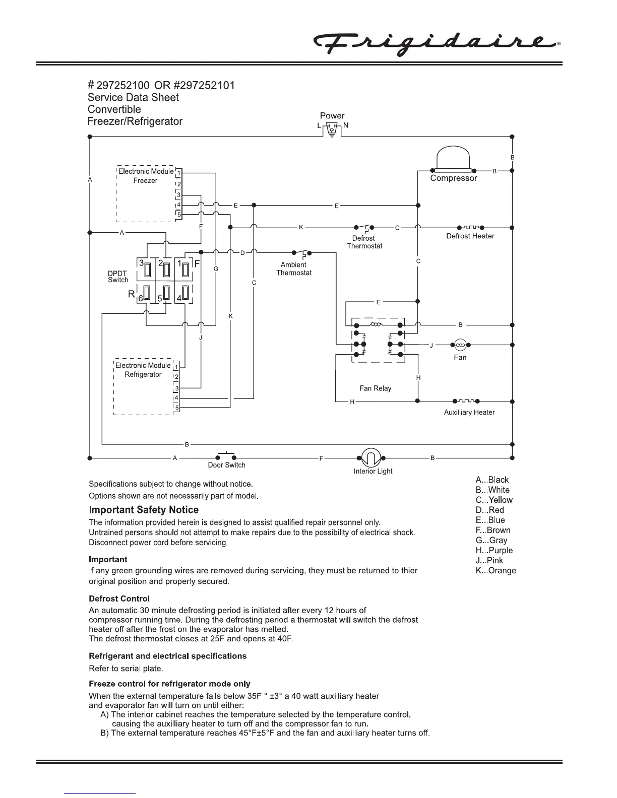
Wiring Diagrams
7
4
6
2
8
3
5
1

Table of Contents

Related product manuals