EasyManua.ls Logo

Frigidaire FRA084KT7 - Air Conditioner Features and Operation; Electronic Control Panel; Turning the Unit On

Frigidaire FRA084KT7
11 pages
Print Icon
To Next Page IconTo Next Page
To Next Page IconTo Next Page
To Previous Page IconTo Previous Page
To Previous Page IconTo Previous Page
Loading...
4
Air Conditioner Features & Operating Instructions
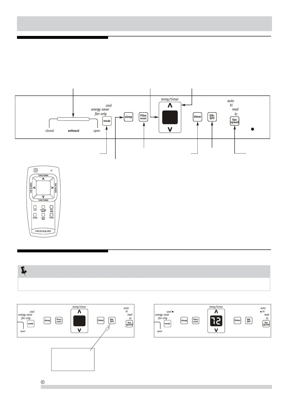
Before you begin, thoroughly familiarize yourself with the control panel and remote
as shown below and all its functions, then follow the symbol for the functions you
desire. The unit can be controlled by the touch pad alone or with the remote.
ELECTRONIC CONTROL
Air Conditioner Features
2009 Electrolux Home Products, Inc. All rights reserved.
NOTE
The following instructions represent the Touch Pad, the same instructions can be used for the Remote Control.
Operating Instructions
PRESS ON/OFF
BUTTON
DO THIS:
TO TURN UNIT ON: YOU WILL SEE:
ADJUSTS
TEMPERATURE
OR TIME
DISPLAYS
TEMPERATURE/TIME
SETS FAN
SPEED
SETS MODE
TURNS UNIT
ON OR OFF
ACTIVATES
TIMER
EXHAUST SELECTOR
CHECK FILTER
RESET BUTTON
SLEEP MODE
STANDARD REMOTE
Battery Size: AAA
Warning: Do not mix old and new batteries. Do not mix alkaline, standard (carbon-zinc), or rechargeable
(nickel-cadmium) batteries.

Other manuals for Frigidaire FRA084KT7

Related product manuals