EasyManua.ls Logo

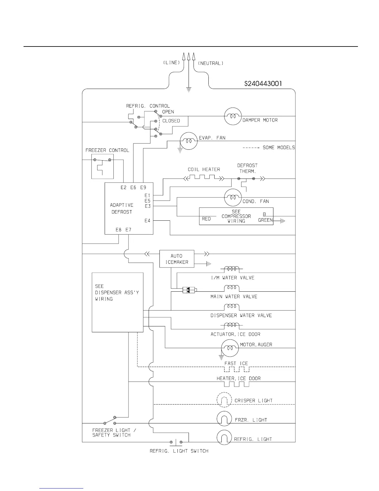
Frigidaire FRS26KW3A - WIRING SCHEMATIC

Frigidaire FRS26KW3A
21 pages
Print Icon
To Next Page IconTo Next Page
To Next Page IconTo Next Page
To Previous Page IconTo Previous Page
To Previous Page IconTo Previous Page
Loading...
04/02 20
Publication No. FRS26KW3A
5995370185
WIRING SCHEMATIC

Related product manuals