EasyManua.ls Logo

Frigidaire FRS6HR45K - Wiring Schematic

Frigidaire FRS6HR45K
23 pages
Print Icon
To Next Page IconTo Next Page
To Next Page IconTo Next Page
To Previous Page IconTo Previous Page
To Previous Page IconTo Previous Page
Loading...
Publication No: 5995539649 FRS6HR45K
05/09 22
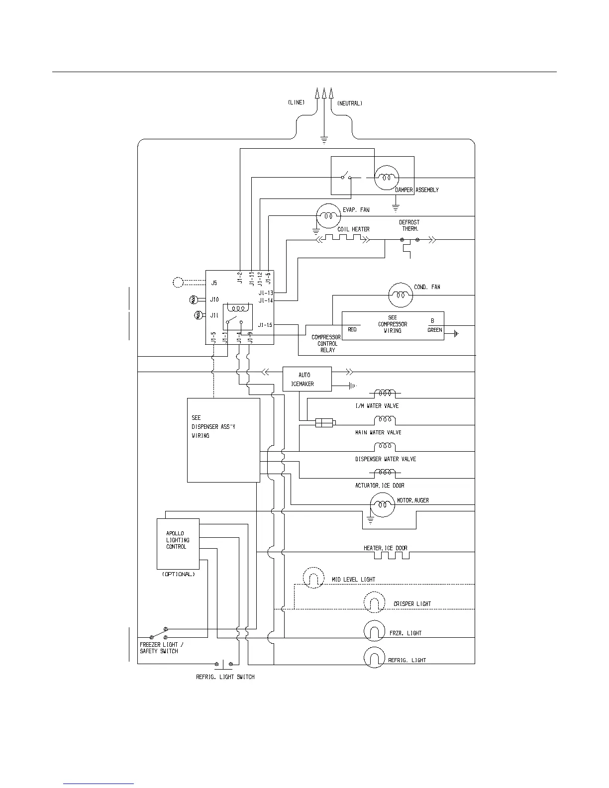
WIRING SCHEMATIC
BETA
CONTROL
FAST
ICE/FRZ
2
1
2
1
FF THERMISTOR
FRZ THERMISTOR
M
1
2
AIR FILTER
FAN

Related product manuals