EasyManua.ls Logo

Frigidaire FSC23R5DS - Wiring Diagram

Frigidaire FSC23R5DS
23 pages
Print Icon
To Previous Page IconTo Previous Page
To Previous Page IconTo Previous Page
Loading...
FSC23R5DS Publication No: 5995422226
# Functional Parts
23 11/04
* Non-Illustrated Parts
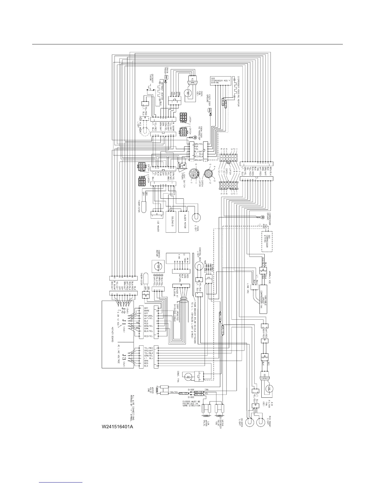
WIRING DIAGRAM

Related product manuals