EasyManua.ls Logo

Frigidaire Gallery GLHS269FP - Wiring Schematic

Frigidaire Gallery GLHS269FP
25 pages
Print Icon
To Next Page IconTo Next Page
To Next Page IconTo Next Page
To Previous Page IconTo Previous Page
To Previous Page IconTo Previous Page
Loading...
Publication No: 5995462107 GLHS269FP
02/06 24
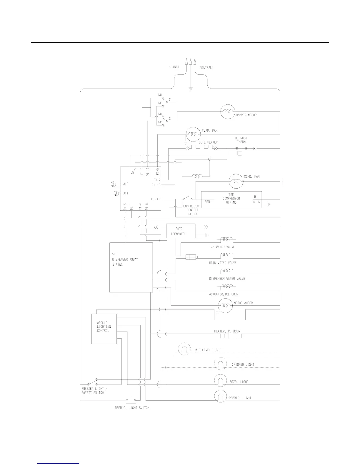
WIRING SCHEMATIC
GENESIS
CONTROL
FAST
ICE/FRZ
2
1
2
1
FF THERMISTOR
FRZ THERMISTOR

Related product manuals