EasyManua.ls Logo

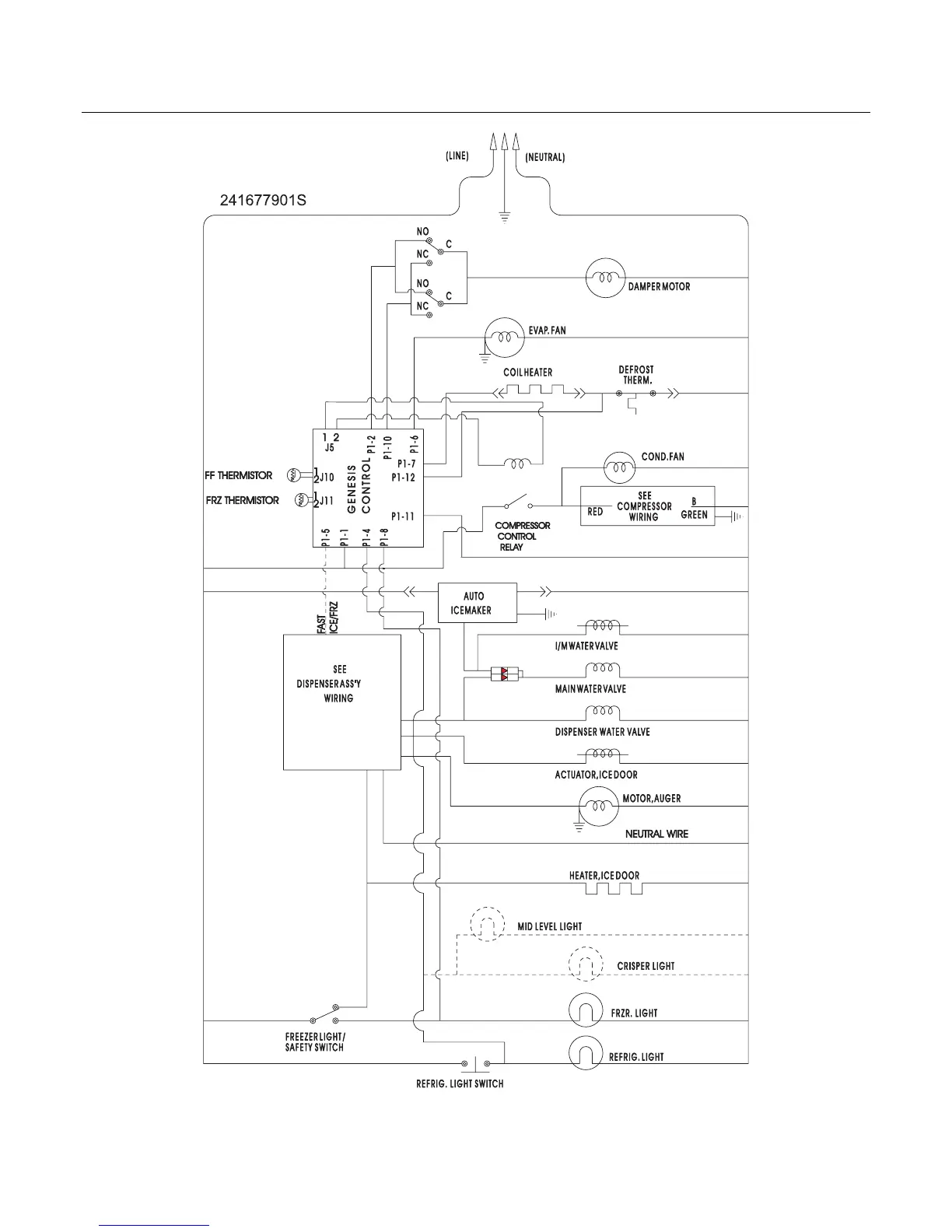
Frigidaire GLHS38EG - Wiring Schematic

Frigidaire GLHS38EG
23 pages
Print Icon
To Next Page IconTo Next Page
To Next Page IconTo Next Page
To Previous Page IconTo Previous Page
To Previous Page IconTo Previous Page
Loading...
Publication No: 5995465001 GLHS38EG
04/06 22
WIRING SCHEMATIC

Related product manuals