EasyManua.ls Logo

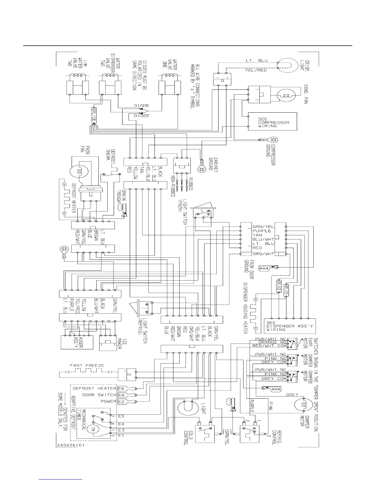
Frigidaire GLRS237ZA - Wiring Diagram

Frigidaire GLRS237ZA
23 pages
Print Icon
To Next Page IconTo Next Page
To Next Page IconTo Next Page
To Previous Page IconTo Previous Page
To Previous Page IconTo Previous Page
Loading...
05/01 22
Publication No. GLRS237ZA*0
5995354098
WIRING DIAGRAM

Related product manuals