EasyManua.ls Logo

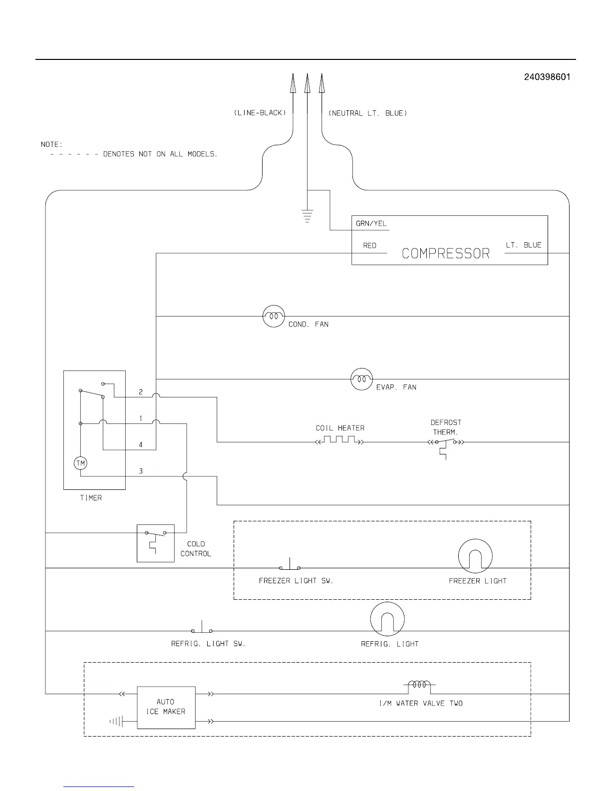
Frigidaire GLRT214RA - Wiring and Schematics; Wiring Schematic

Frigidaire GLRT214RA
11 pages
Print Icon
To Next Page IconTo Next Page
To Next Page IconTo Next Page
To Previous Page IconTo Previous Page
To Previous Page IconTo Previous Page
Loading...
06/01 10
Publication No. GLRT214RA
5995354379
WIRING SCHEMATIC

Related product manuals