EasyManua.ls Logo

Frigidaire GLRT214RA - Wiring Diagram

Frigidaire GLRT214RA
11 pages
Print Icon
To Previous Page IconTo Previous Page
To Previous Page IconTo Previous Page
Loading...
# = Fast-moving Parts 11 06/01
* = Non-Illustrated Parts
GLRT214RA Publication No.
5995354379
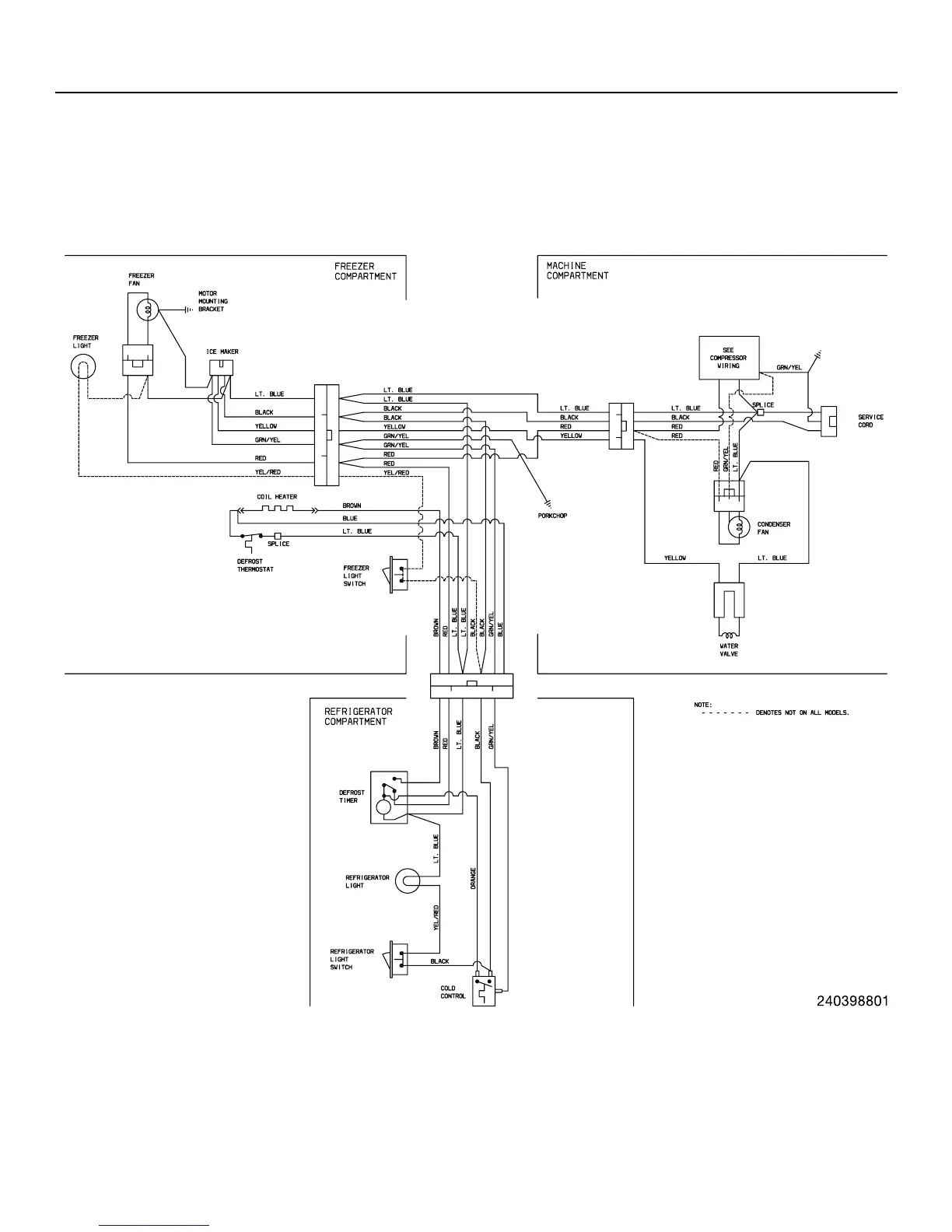
WIRING DIAGRAM

Related product manuals