EasyManua.ls Logo

Frigidaire PHS69EHSS3 - Wiring Schematic Diagram

Frigidaire PHS69EHSS3
23 pages
Print Icon
To Next Page IconTo Next Page
To Next Page IconTo Next Page
To Previous Page IconTo Previous Page
To Previous Page IconTo Previous Page
Loading...
Publication No: 5995497186 PHS69EHSS3
08/07 22
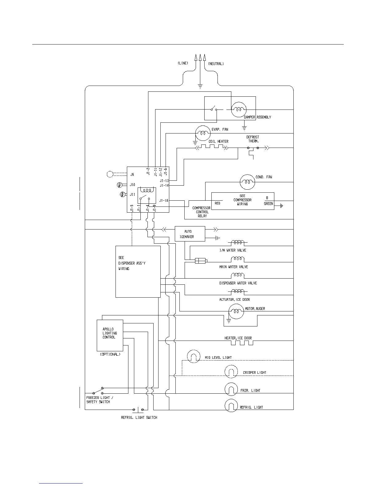
WIRING SCHEMATIC
BETA
CONTROL
FAST
ICE/FRZ
2
1
2
1
FF THERMISTOR
FRZ THERMISTOR
M
1
2
AIR FILTER
FAN

Related product manuals