EasyManua.ls Logo

Frigidaire PL30DD50EC - Page 6

Frigidaire PL30DD50EC
6 pages
Print Icon
To Previous Page IconTo Previous Page
To Previous Page IconTo Previous Page
Loading...
Publication No: 5995459137 PL30DD50E / PL36DD50E
02/06 6
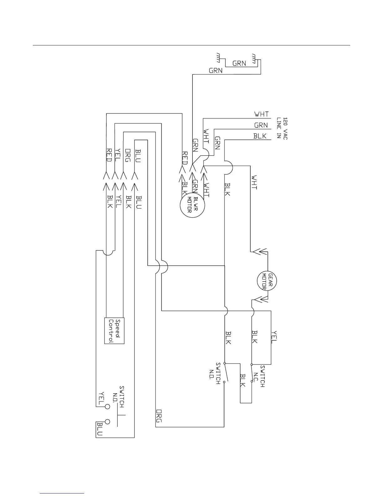
WIRING DIAGRAM

Related product manuals