EasyManua.ls Logo

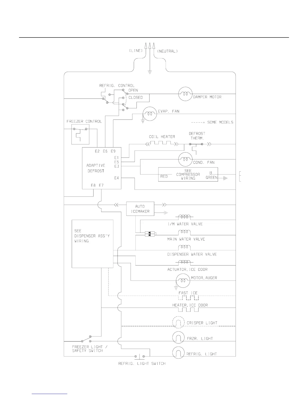
Frigidaire PLHS280ZA - Wiring Schematic

Frigidaire PLHS280ZA
21 pages
Print Icon
To Next Page IconTo Next Page
To Next Page IconTo Next Page
To Previous Page IconTo Previous Page
To Previous Page IconTo Previous Page
Loading...
06/02 20
Publication No. PLHS280ZA
5995374534
WIRING SCHEMATIC

Related product manuals