EasyManua.ls Logo

Frigidaire PLHT217TA - Wiring Diagram; Compartment Wiring Details; Component Wiring Color Codes

Frigidaire PLHT217TA
13 pages
Print Icon
To Previous Page IconTo Previous Page
To Previous Page IconTo Previous Page
Loading...
# = Fast-moving Parts 13 11/01
* = Non-Illustrated Parts
PLHT217TA Publication No.
5995360855
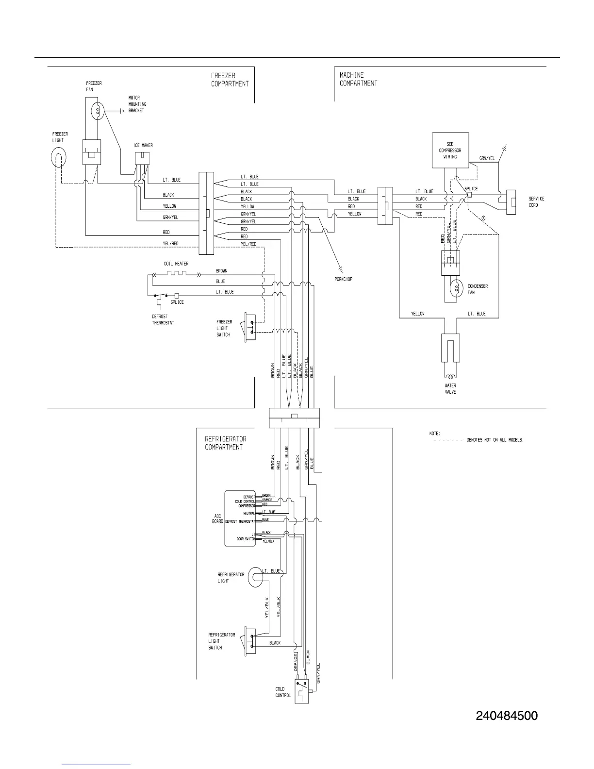
WIRING DIAGRAM

Related product manuals