EasyManua.ls Logo

Frigidaire PLRS267ZA - Wiring Schematic

Frigidaire PLRS267ZA
21 pages
Print Icon
To Next Page IconTo Next Page
To Next Page IconTo Next Page
To Previous Page IconTo Previous Page
To Previous Page IconTo Previous Page
Loading...
06/01 20
Publication No. PLRS267ZA
5995354486
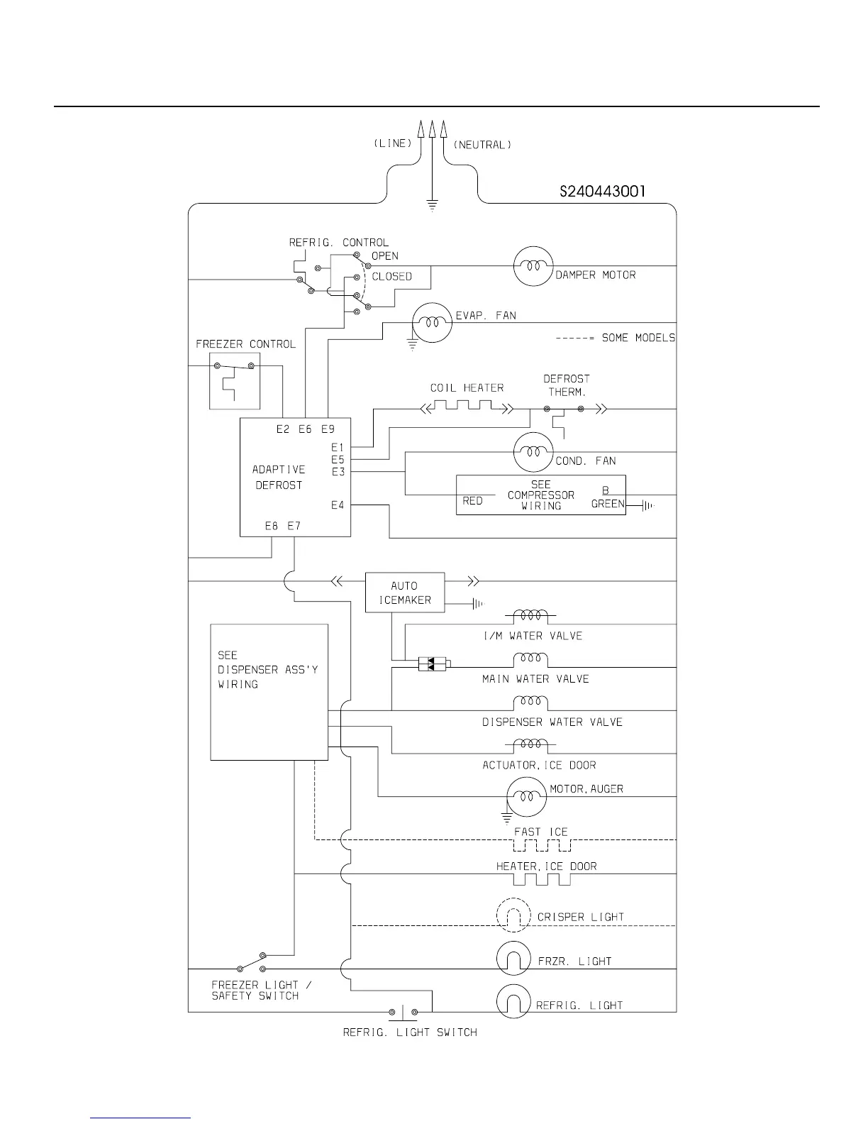
WIRING SCHEMATIC

Related product manuals