EasyManua.ls Logo

Friulinox AF14 - Page 47

Default Icon
Print Icon
To Next Page IconTo Next Page
To Next Page IconTo Next Page
To Previous Page IconTo Previous Page
To Previous Page IconTo Previous Page
Loading...
48
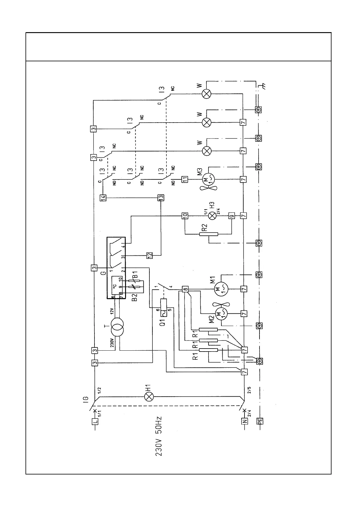
SCHEMI ELETTRICI SCHEMA ELECTRIQUE
WIRING DIAGRAM LEDNINGSDIAGRAM
SCHALTSCHEMA ELEKTRISCHE SCHEMA
01/03/01
711.160.0
AP21

Table of Contents

Related product manuals