EasyManua.ls Logo

Frontier RB1172 - Tailwheel Kit Parts

Frontier RB1172
24 pages
Print Icon
To Next Page IconTo Next Page
To Next Page IconTo Next Page
To Previous Page IconTo Previous Page
To Previous Page IconTo Previous Page
Loading...
20 Parts
5WPMAN0148 (Rev. 5/16/2008)
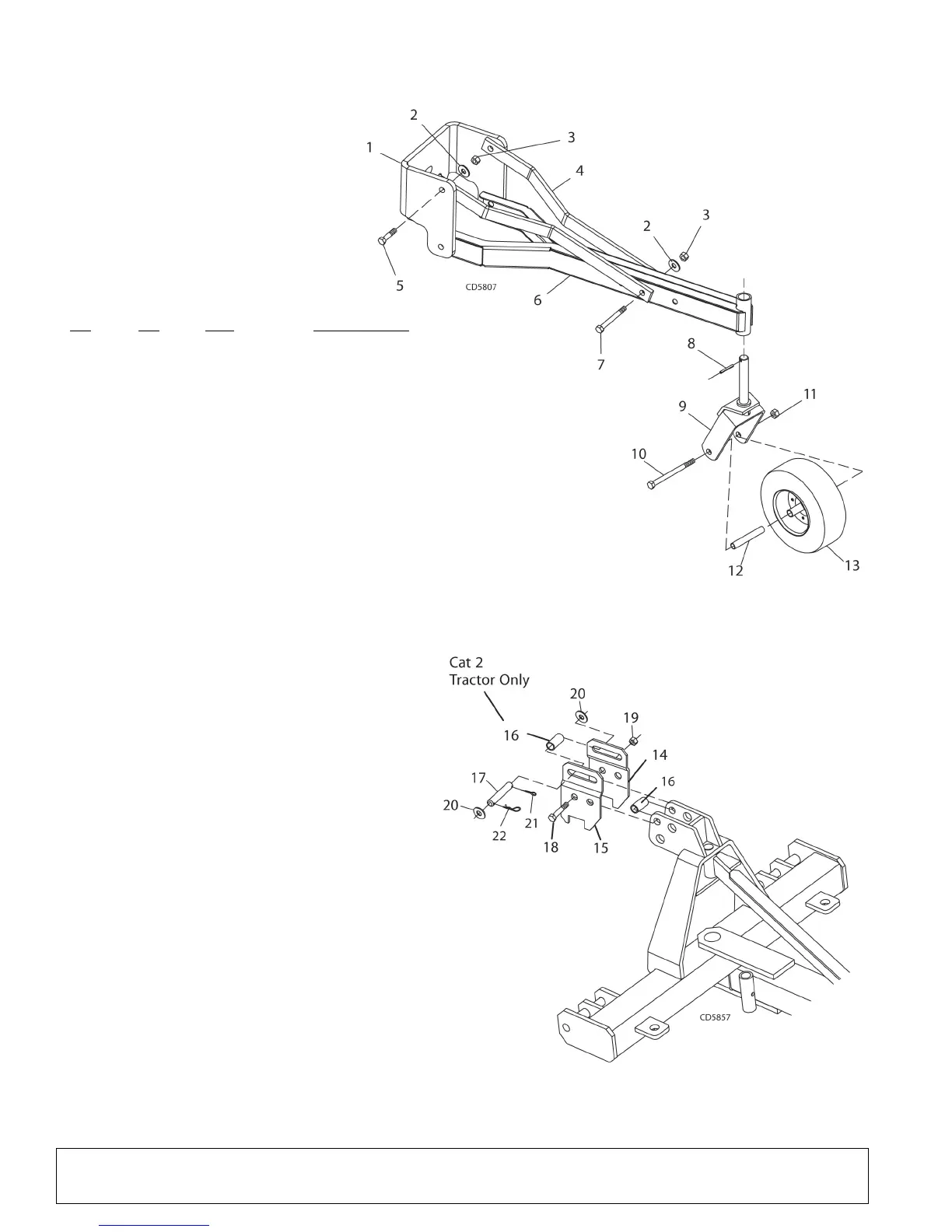
TAILWHEEL KIT 5WP1001533 (OPTIONAL)
REF
NO
PART
NO
QTY DESCRIPTION
1 5WP1001530 1 Plate, Tailwheel Retainer
2 5WP57817 5 Washer, Flat 5/8 SAE Hardened
3 * 5 Nut, Lock 5/8 NC
4 5WP1001534 2 Bar, Tailwheel Mast
5 * 4 Screw, HHCS 5/8 NC x 2 GR5
6 5WP1001535 1 Tailwheel Tube Assembly
7 * 1 Screw, HHCS 5/8 NC x 4-1/2 GR5
8 5WP13853 1 Pin, Spirol 3/8 x 1-3/4
9 5WP15314 1 Wheel Yoke Assembly
10 * 1 Screw, HHCS 5/8 NC x 7 GR5
11 5WP19025 1 Nut, Flange Lock 5/8 NC
12 5WP57182 1 Sleeve, .66 x 1.00 x 5.39
13 5WP20879G 1 Tire, 4 x 16 Gray
14 5WP29652 1 Link, Floating Right
15 5WP29653 1 Link, Floating Left
16 5WP7372 1 Sleeve, .78 x 1.00 x 2.00
(Cat 2 tractor only)
17 5WP1591 1 Pin, Clevis .75 x 4.38
18 * 2 Screw, HHCS 3/4 NC x
4-1/2 GR5
19 * 2 Nut, Lock 3/4 NC
20 * 2 Washer, Flat 3/4 Standard
21 * 1 Pin, Cotter 3/16 x 1-1/2
22 * 1 Pin, Safety 5/32
* Standard hardware; obtain locally

Related product manuals