EasyManua.ls Logo

Frontier RT 1142 - Page 66

Frontier RT 1142
74 pages
Print Icon
To Next Page IconTo Next Page
To Next Page IconTo Next Page
To Previous Page IconTo Previous Page
To Previous Page IconTo Previous Page
Loading...
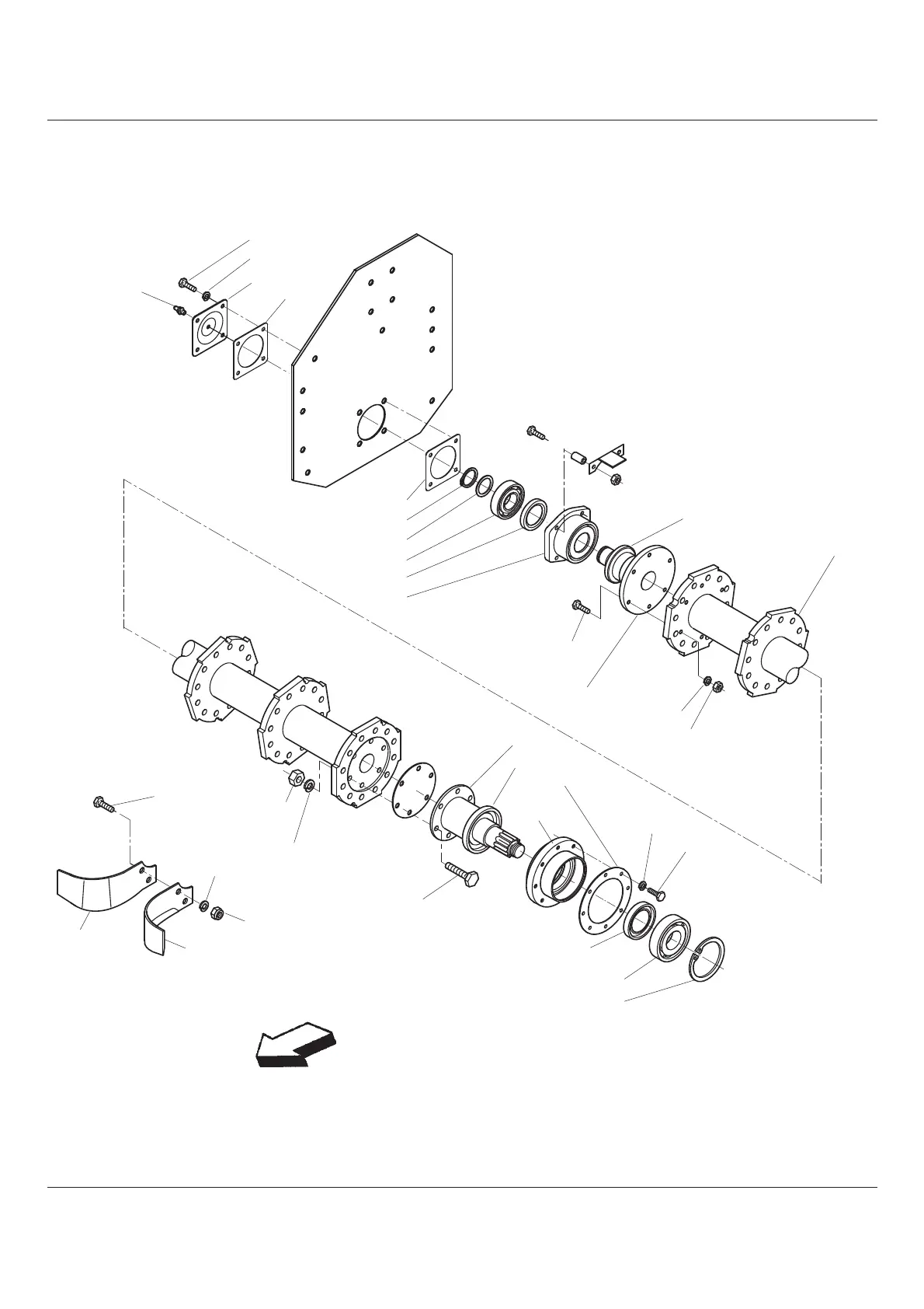
RT 1142 - 1149 - 1157 - 1165 - 1265 (October-16)
THIS PARTS LISTING IS CONTINUED
ROTOR
C3
RT 1265
1
2
3
4
6
7
12
13
14
15
16
17
21
19
20
21
24
5
29
28
27
25
26
5
3
18
23
22
18
3
8
9
11
10

Related product manuals