EasyManua.ls Logo

Frontier RT 1157 - Page 58

Frontier RT 1157
74 pages
Print Icon
To Next Page IconTo Next Page
To Next Page IconTo Next Page
To Previous Page IconTo Previous Page
To Previous Page IconTo Previous Page
Loading...
RT 1142 - 1149 - 1157 - 1165 - 1265 (October-16)
THIS PARTS LISTING IS CONTINUED
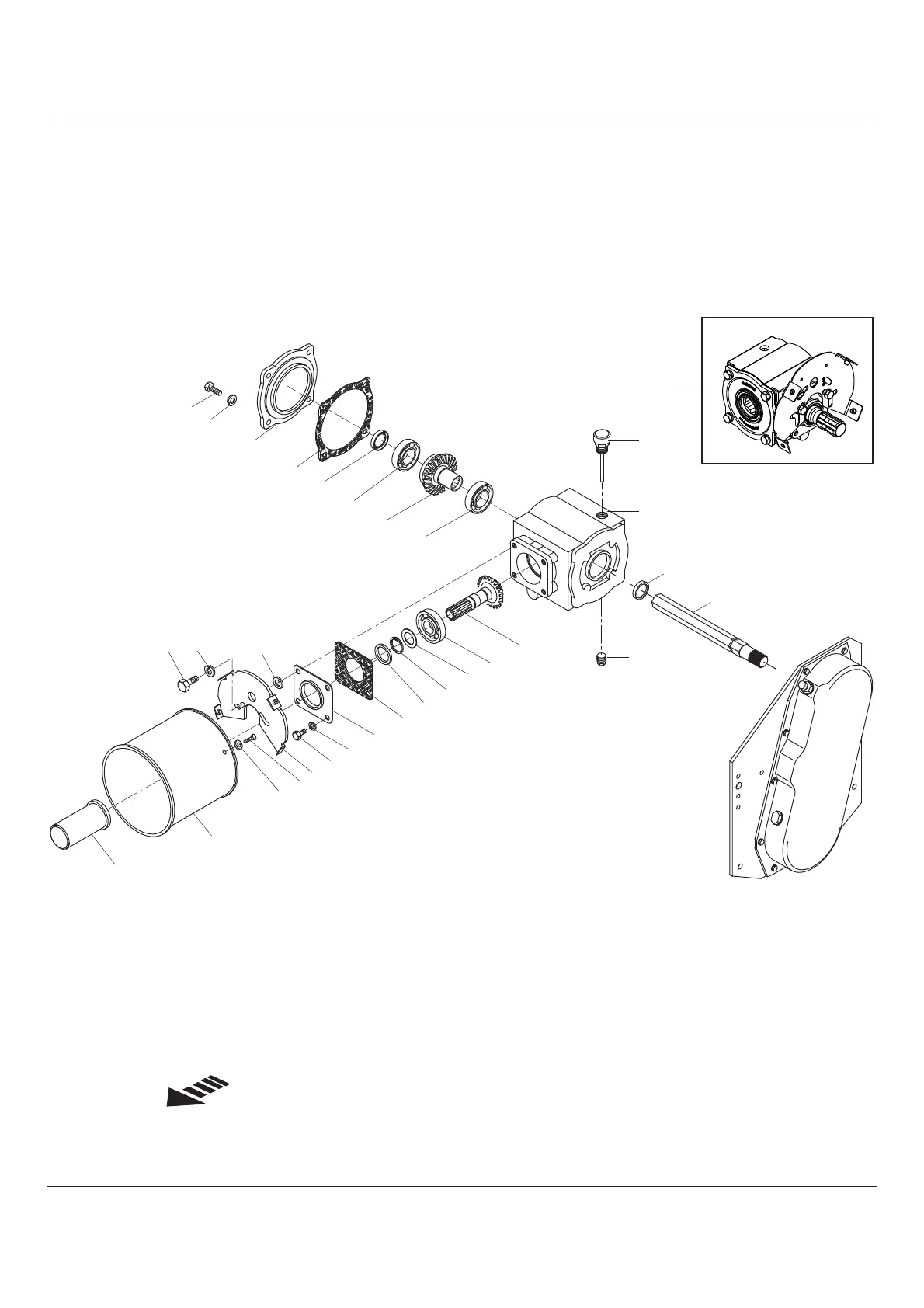
TRANSMISSION
B5
RT 1157 - 1165
20
18
21
22
21
1
2
710
12
9
8
7
6
3
4
13
14
15
22
16
11
10
7
24
23
19
25
18
17
5

Related product manuals