EasyManua.ls Logo

Frontier RT 1165 - Page 46

Frontier RT 1165
74 pages
Print Icon
To Next Page IconTo Next Page
To Next Page IconTo Next Page
To Previous Page IconTo Previous Page
To Previous Page IconTo Previous Page
Loading...
RT 1142 - 1149 - 1157 - 1165 - 1265 (October-16)
THIS PARTS LISTING IS CONTINUED
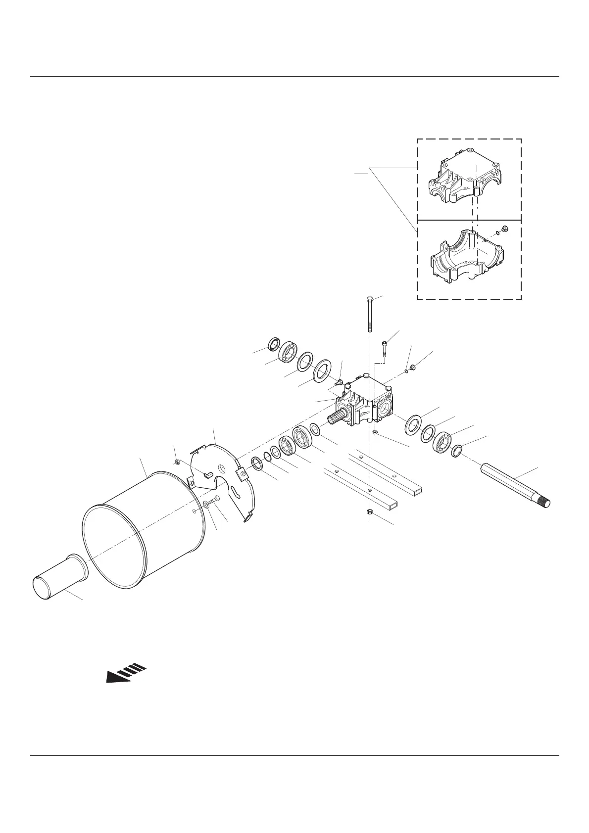
TRANSMISSION
A4
RT 1142 - 1149
28
10
2
3
4
5
12
13
23
24
25
20
21
22
14
15
16
17
18
19
8
7
6
5
4
3
2
26
27
1

Related product manuals