EasyManua.ls Logo

Frontier RT 1165 - Page 70

Frontier RT 1165
74 pages
Print Icon
To Next Page IconTo Next Page
To Next Page IconTo Next Page
To Previous Page IconTo Previous Page
To Previous Page IconTo Previous Page
Loading...
RT 1142 - 1149 - 1157 - 1165 - 1265 (October-16)
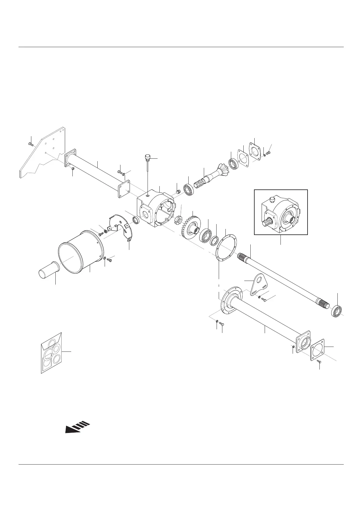
THIS PARTS LISTING IS CONTINUED
TRANSMISSION
C6
RT 1265
1
1
17
3
25
32
31
30
29
27
1
28
33
22
21
20
15
19
18
17
16
1
23
15
14
13
12
10
9
11
8
6
7
2
1
3
6
5
4
26
24

Related product manuals