EasyManua.ls Logo

Frucosol SH-3000 - Electrical System

Frucosol SH-3000
Print Icon
To Next Page IconTo Next Page
To Next Page IconTo Next Page
To Previous Page IconTo Previous Page
To Previous Page IconTo Previous Page
Loading...
- 1 -
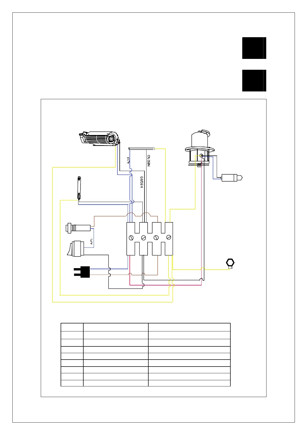
INSTALACIÓN ELÉCTRICA
E
ELECTRICAL SYSTEM
GB
REF.: SH-7000
E
Enchufe
I.G Interruptor General
Lampara Germicida
M
Masa
M.V
Motor - Vibrador
F
Fusible
C
Condensador
Plug
General Switch
Ultraviolet Tramp
Mass
Vibrator- Motor
Fuse
Condenser
BLANCO
ROJO
AZUL
MA RRON
AZUL
AZUL
NE GRO
MASA
MA SA
MA SA
MA SA
E
I.G
M
M.V
F
L.G
T
R
C
L.G
T
Turbina
R Resistencia
Fan
Heating Resistence