EasyManua.ls Logo

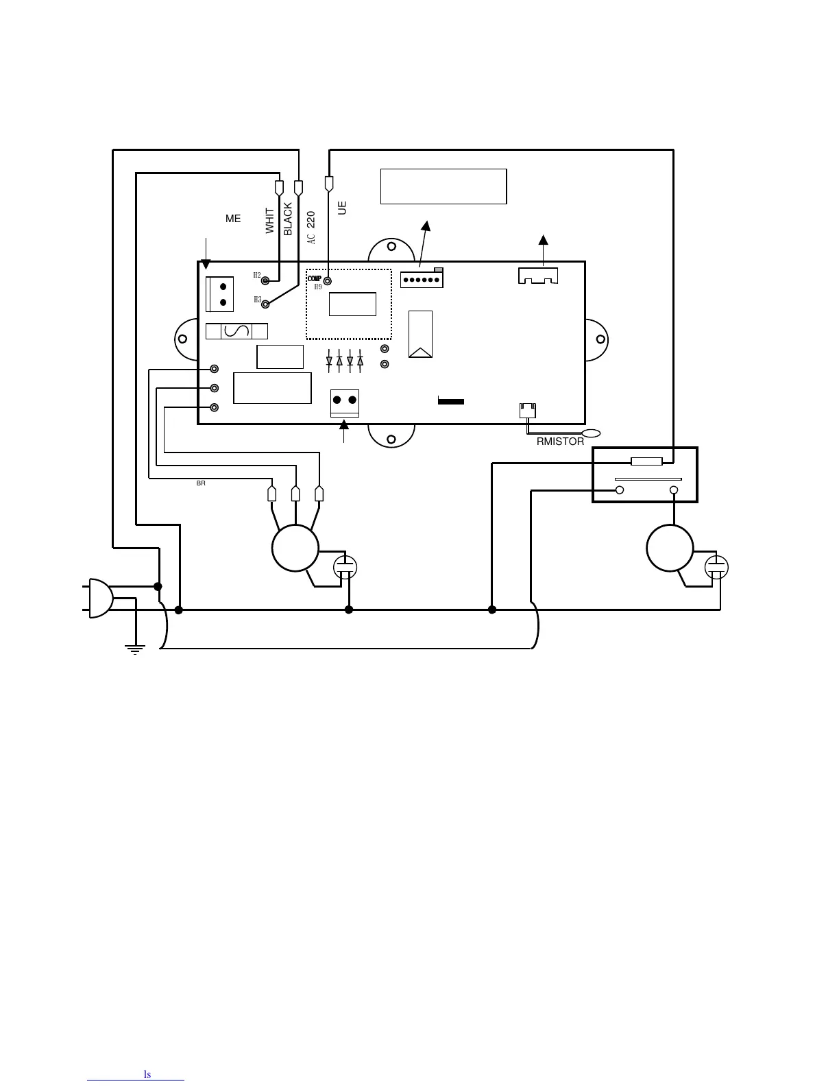
Fujiair NF166 - Wiring Diagram and Installation; WIRING DIAGRAM; INSTALLATION POINTERS

Default Icon
4 pages
Print Icon
To Previous Page IconTo Previous Page
To Previous Page IconTo Previous Page
Loading...
INSTALLATION POINTERS
1.Please follow wiring connections strictly to wiring diagram provided.
2. In case of existing fan motor has only 2 speed,please connect PCB’s HI
and Med wires together to fan motor’shigh-speedwire connection.
3. Please check thoroughly all wiring connections to ensure correct connections
and voltage supply .Any wrong wiring will result in damaging PCB and
it shall not be warrantable.
WIRING DIAGRAM
A
C
220V
COMP
COMPCOMP
COMP
THERMISTOR
BLACK
WHITE
TRANSFORMER
SECONDARY
COMPRESSOR
DC-FLAP
BLACK
INDOOR UNIT
FAN MOTOR
START CAP.
START CAP.
H8
H7
CN5
CN3
RECEIVER
BOX
ACN
ACL
H3
H2
DISP
TH
CN2
TR/OP
CN1
BLUE
BROWN
YELLOW
TRANSFORMER
PRIMARY
COIL
COM
NO
L
N
EARTH
NF166
(SM450-12---1.2uF)
1
6-PIN:red wire put pin1
5-PIN:red wire put pin2
FLAP
LO
HI
ME
H9