EasyManua.ls Logo

Fujitsu AOG45TPB3L - Page 10

Fujitsu AOG45TPB3L
19 pages
Print Icon
To Next Page IconTo Next Page
To Next Page IconTo Next Page
To Previous Page IconTo Previous Page
To Previous Page IconTo Previous Page
Loading...
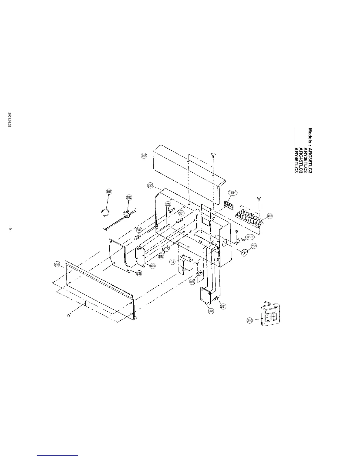
- 9 -
815
287
381
240
968
466
34
187
875
236
956
381
628
381
192
195
223
448
185-1
36-2
Models : ARG36TLC3
ARY36TLC3
ARG45TLC3
ARY45TLC3
2003.08.28

Related product manuals