EasyManua.ls Logo

Fujitsu AOHA18LALL - REFRIGERANT SYSTEM DIAGRAM

Fujitsu AOHA18LALL
22 pages
Print Icon
To Next Page IconTo Next Page
To Next Page IconTo Next Page
To Previous Page IconTo Previous Page
To Previous Page IconTo Previous Page
Loading...
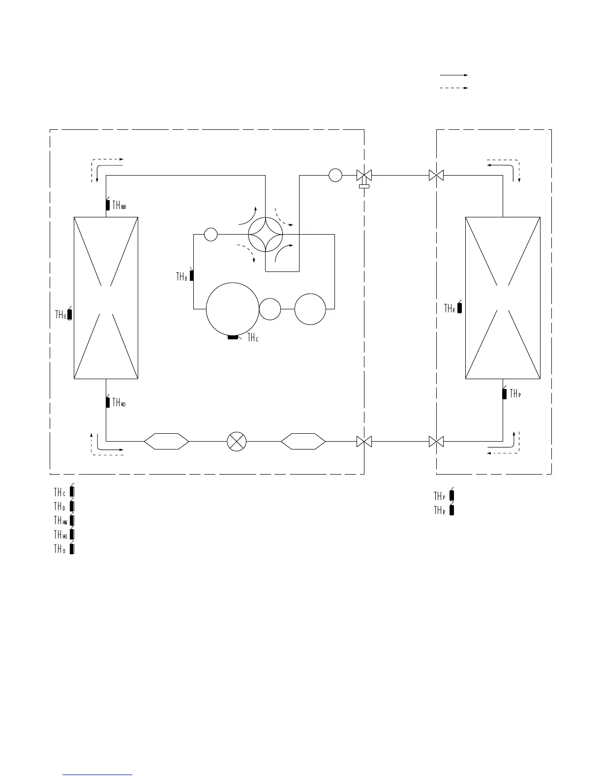
REFRIGERANT SYSTEM DIAGRAM
OUTDOOR UNIT INDOOR UNIT
2008.07.31
5
StrainerStrainer
4-Way
valve
2-Way
valve
3-Way
valve
Muffler
Muffler
Expansion
valve
Compressor
Accumulator
Heat exchanger
Heat exchanger
Cool
<Refrigerant direction>
Heat
: THERMISTOR (COMPRESSOR)
: THERMISTOR (PIPE)
: THERMISTOR (ROOM)
: THERMISTOR (DISCHARGE)
: THERMISTOR (HEAT EXCHANGER MED)
: THERMISTOR (HEAT EXCHANGER OUT)
: THERMISTOR (OUTDOOR AIR)
<Refrigerant pipe diameter>
ARHF12LALU / AOHA12LA_L
Liquid : 1/4" (6.35 mm)
Gas : 3/8" (9.52 mm)
ARHF14LALU / AOHA14LA_L
ARHF18LALU / AOHA18LA_L
Liquid : 1/4" (6.35 mm)
Gas : 1/2" (12.70 mm)

Related product manuals