EasyManua.ls Logo

Fujitsu AOY12USCC - REFRIGERANT SYSTEM DIAGRAM; MODELS ASY9 USCCW; AOY9 USCC; AOY9 UFCC; MODELS ASY12 USCCW; AOY12 USCC

Fujitsu AOY12USCC
18 pages
Print Icon
To Next Page IconTo Next Page
To Next Page IconTo Next Page
To Previous Page IconTo Previous Page
To Previous Page IconTo Previous Page
Loading...
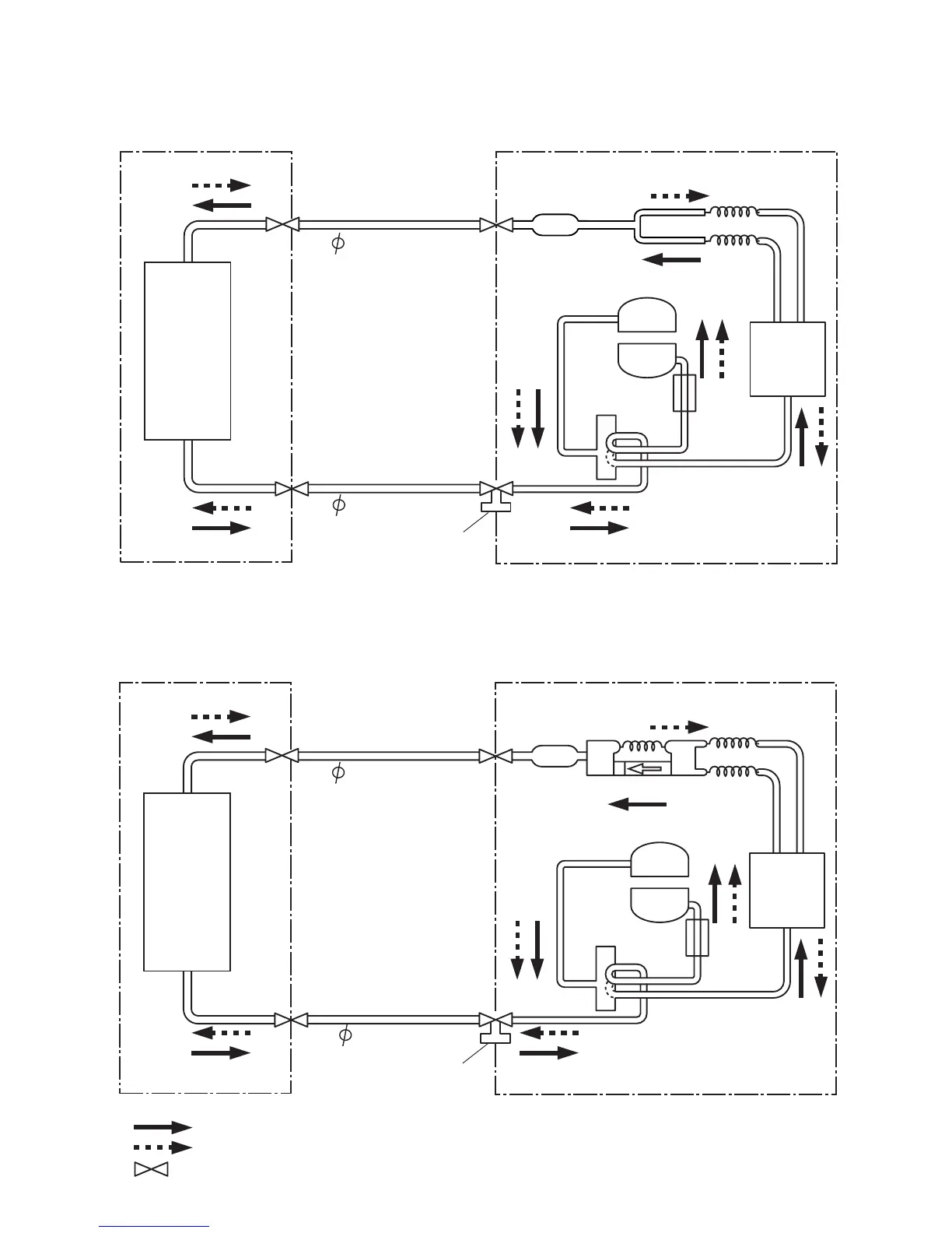
REFRIGERANT SYSTEM DIAGRAM
Models : ASY9USCCW / AOY9USCC
ASY9USCCW / AOY9UFCC
Models : ASY12USCCW / AOY12USCC
9.52mm(3/8")
Cooling
Heating
: Flare coupling
Compressor
Capillary tube
for heating
Capillary tube
for heating and cooling
OUTDOOR UNIT
INDOOR UNIT
Condenser
9.52mm(3/8")
Refrigerant pipe
Refrigerant pipe
6.35mm(1/4")
Charging valve
3-Way
valve
4-Way valve
2-Way
valve
Dryer or Strainer
Dryer
Compressor
Check valve
Capillary tube
for heating and cooling
OUTDOOR UNIT
INDOOR UNIT
Condenser
Evaporator
Refrigerant pipe
Refrigerant pipe
Charging valve
2-Way
valve
3-Way
valve
4-Way
valve
Evaporator
6.35mm(1/4")
42007.05.10

Related product manuals