EasyManua.ls Logo

Fujitsu AOY45APA3L - Circuit Diagram

Fujitsu AOY45APA3L
26 pages
Print Icon
To Next Page IconTo Next Page
To Next Page IconTo Next Page
To Previous Page IconTo Previous Page
To Previous Page IconTo Previous Page
Loading...
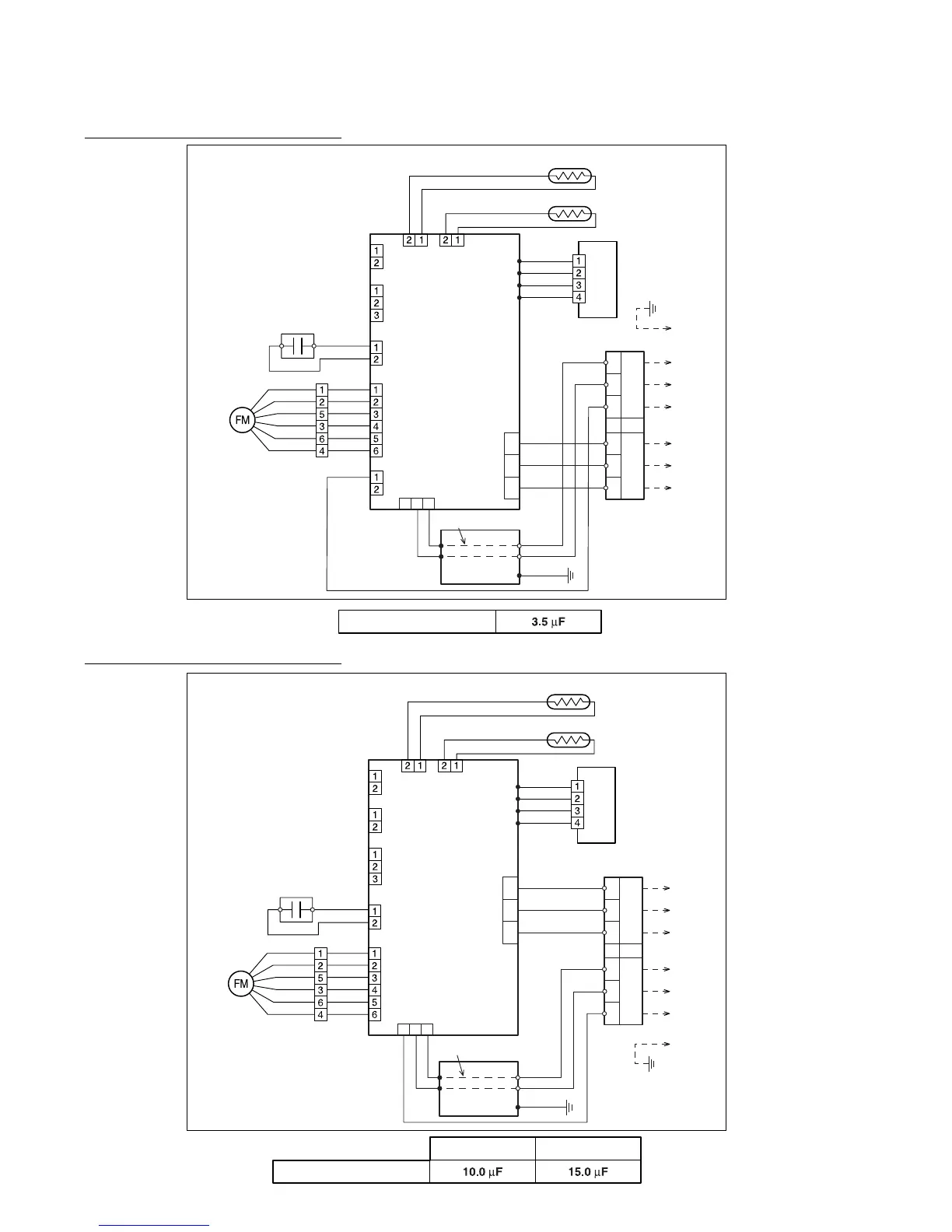
FAN MOTOR CAPACITOR
- 3 -
2004.01.21
CIRCUIT DIAGRAM
GREEN
WHITE
BLACK
CN1
3 2 1
CN17
2
(N)
1
3
1
3
2
1
3
2
FILTER
BOARD
REMOTE
CONTROL
OUTDOOR UNIT
CONTROL
Use T3.15A - 250V
Fuse on F101
BLACK
WHITE
BLACK
WHITE
RED
TERMINAL
TO OUTDOOR UNITTO REMOTE
CONTROL UNIT
WHITE
BLUE
RED
BLACK
GRAY
GRAY
BLACK
BLACK
CONTROL BOARD
THERMISTOR (ROOM TEMP.)
CN7
CN4CN5 CN15CN19
CN6
CN8
WHITE
WHITE
BLUE
PURPLE
PINK
RED
WHITE
BLACK
THERMISTOR (PIPE TEMP.)
FAN MOTOR
CAPACITOR
FAN
MOTOR
BLUE
PURPLE
PINK
RED
WHITE
BLACK
PCB
(RELAY)
GRAY
GREEN
WHITE
BLACK
CN1
3 2 1
CN17
2
(N)
3
1
1
3
2
3
1
2
FILTER
BOARD
REMOTE
CONTROL
OUTDOOR UNIT
CONTROL
Use T3.15A - 250V
Fuse on F101
BLACK
WHITE
RED
BLACK
WHITE
RED
TERMINAL
TO OUTDOOR UNIT
TO REMOTE
CONTROL UNIT
WHITE
BLUE
RED
BLACK
GRAY
GRAY
BLACK
BLACK
CONTROL BOARD
THERMISTOR (ROOM TEMP.)
CN7
CN4CN5 CN15 CN10
CN6
CN8
WHITE
WHITE
BLUE
PURPLE
PINK
RED
WHITE
BLACK
THERMISTOR (PIPE TEMP.)
FAN MOTOR
CAPACITOR
FAN
MOTOR
BLUE
PURPLE
PINK
RED
WHITE
BLACK
PCB
(RELAY)
FAN MOTOR CAPACITOR
ARG45RLC3 ARY45RLC3
Models : ARG45ALC3, ARY45ALC3
Models : ARG45RLC3, ARY45RLC3