EasyManua.ls Logo

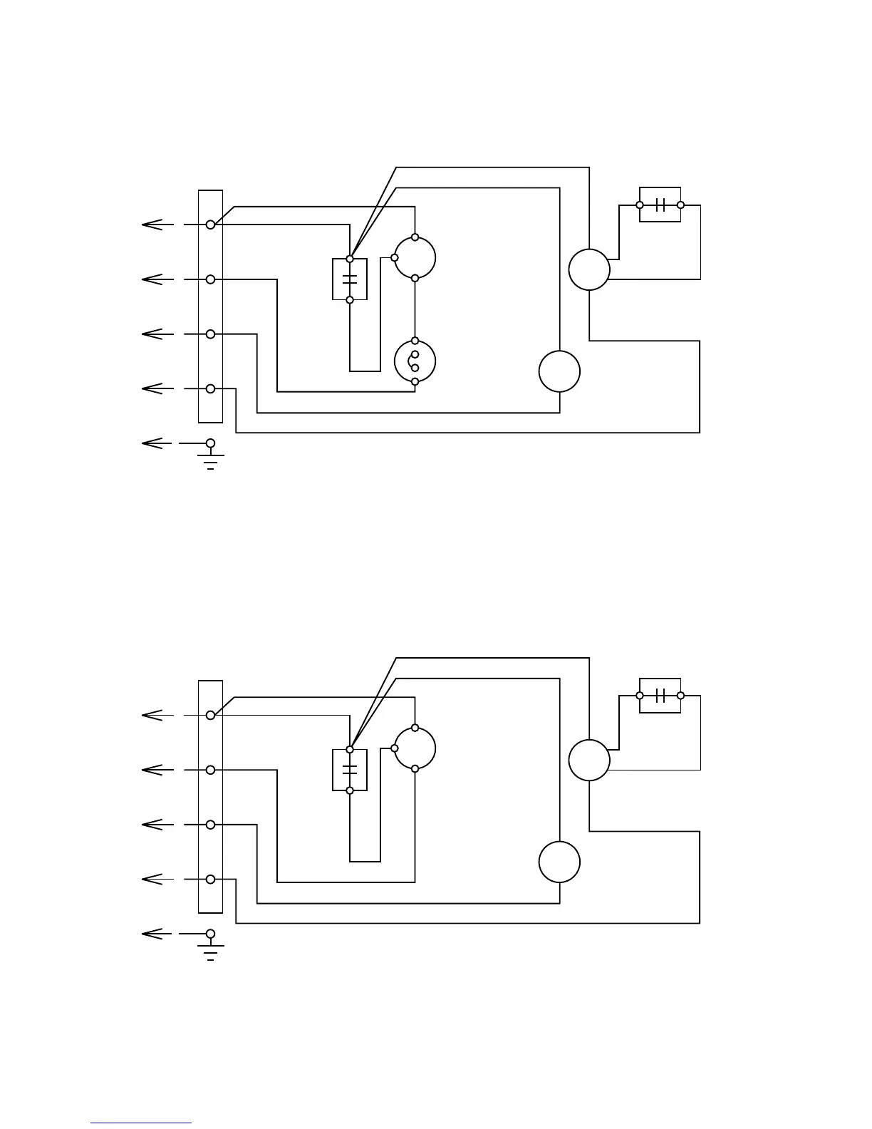
Fujitsu AOY9USCC - Outdoor Unit Circuit Diagram

Fujitsu AOY9USCC
18 pages
Print Icon
To Next Page IconTo Next Page
To Next Page IconTo Next Page
To Previous Page IconTo Previous Page
To Previous Page IconTo Previous Page
Loading...
Model : AOY9UFCC
Models : AOY9USCC
AOY12USCC
62005.01.07
TERMINAL
N
L
3
4
COMPRESSOR
CAPACITOR
COMPRESSOR
FAN MOTOR
FAN MOTOR
CAPACITOR
FOUR WAY
VALVE COIL
OVERLOAD
RELAY
WHITE
BLUE
BLACK
BLUE
RED
RED
ORANGE
WHITE
WHITE
DARK GRAY
DARK GRAY
S
R
C
C M
F M
S V
TERMINAL
N
L
3
4
COMPRESSOR
CAPACITOR
COMPRESSOR
FAN MOTOR
FAN MOTOR
CAPACITOR
FOUR WAY
VALVE COIL
WHITE
BLACK
BLACK
RED
RED
ORANGE
WHITE
WHITE
DARK GRAY
DARK GRAY
S
R
C
C M
F M
S V

Related product manuals