EasyManua.ls Logo

Fujitsu AOYG30KATA - Outdoor Unit Refrigerant Circuit Diagram

Fujitsu AOYG30KATA
113 pages
Print Icon
To Next Page IconTo Next Page
To Next Page IconTo Next Page
To Previous Page IconTo Previous Page
To Previous Page IconTo Previous Page
Loading...
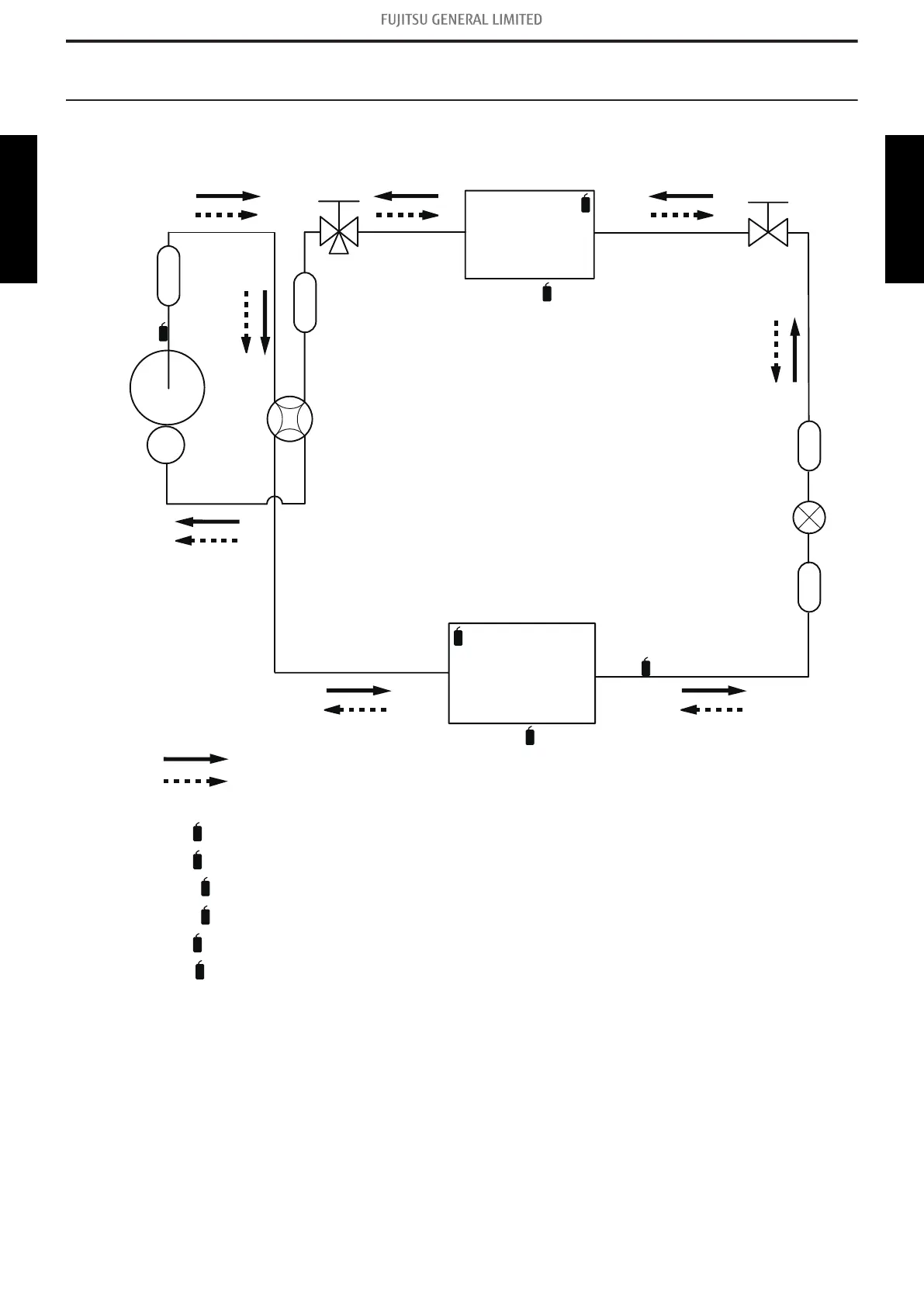
4. Refrigerant circuit
4-1. Model: AOYG18KATA
Strainer
Strainer
3-way
valve
2-way
valve
Muffler
4-way valve
Expansion valve
Heat exchanger
Heat exchanger
(INDOOR)
(OUTDOOR)
Compressor
Cooling
Heating
Th
D
Th
R
Th
PI
Th
O
Th
HO
: Thermistor (Discharge temperature)
: Thermistor (Outdoor temperature)
: Thermistor (Heat exchanger middle temperature)
Th
D
Th
O
Th
HM
: Thermistor (Heat exchanger out temperature)
Th
HO
: Thermistor (Room temperature)
: Thermistor (Pipe temperature)
Th
R
Th
PI
Muffler
Th
HM
- 74 -
4-1. Model: AOYG18KATA 4. Refrigerant circuit
OUTDOOR UNIT
AOYG18-45KATA
OUTDOOR UNIT
AOYG18-45KATA

Table of Contents

Other manuals for Fujitsu AOYG30KATA

Related product manuals