EasyManua.ls Logo

Fujitsu AOYZ14LBC - Page 9

Fujitsu AOYZ14LBC
88 pages
Print Icon
To Next Page IconTo Next Page
To Next Page IconTo Next Page
To Previous Page IconTo Previous Page
To Previous Page IconTo Previous Page
Loading...
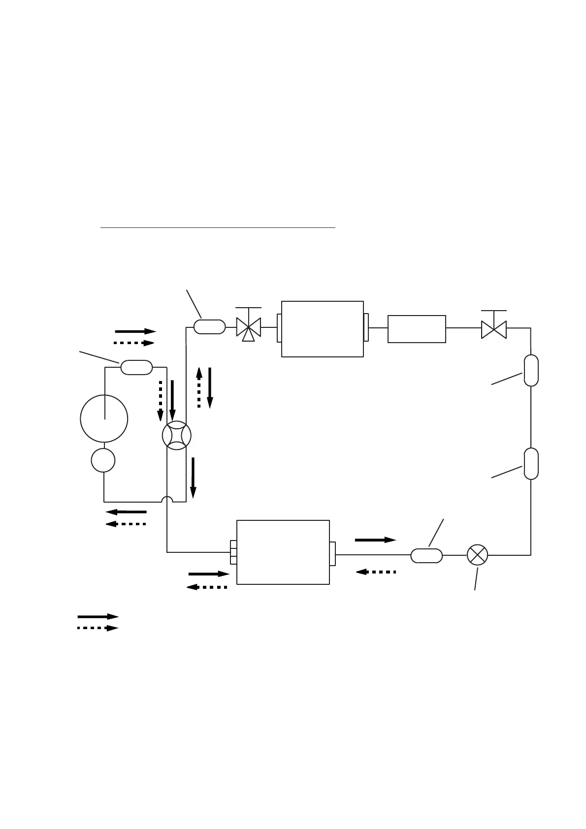
REFRIGERANT SYSTEM DIAGRAM
Models : AWYZ14LBC / AOYZ14LBC
AWYZ18LBC / AOYZ18LBC
03-01
Liquid pipe : 6.35 mm
Gas pipe : 12.7 mm
2-Way Valve
Strainer
Strainer
Muffler
Muffler
Receiver
Heat exchanger B
( INDOOR )
3-Way Valve
4-Way Valve
Pulse motor valve
Heat exchanger
( INDOOR )
Heat exchanger
( OUTDOOR )
Accumulator
Compressor
Cooling
Heating

Other manuals for Fujitsu AOYZ14LBC

Related product manuals