EasyManua.ls Logo

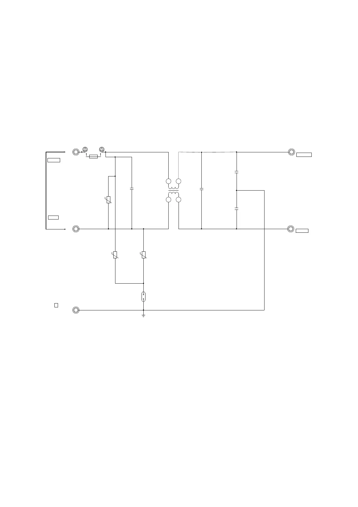
Fujitsu ARHC72LHTA - Outdoor Filter PCB Diagrams; Inverter Filter PCB Schematic

Fujitsu ARHC72LHTA
29 pages
Print Icon
To Next Page IconTo Next Page
To Next Page IconTo Next Page
To Previous Page IconTo Previous Page
To Previous Page IconTo Previous Page
Loading...
W606
W605
VA604
470V
<TNR>
VA603
470V
<TNR>
SA601
RA-362M
W607
E
GREEN
BLUE
W602
VA601
470V
<TNR>
N I N
L3 I N
W603
FH603
F602
SHV14
15A - 400V
BLACK
L601
SC-10-55JH
C601
1.0
<ECQU>
C603
0.22
<ECQU>
C604
0.010
<ECQU>
C605
0.010
<ECQU>
N OUT
L3 OUT
BLACK
BLUE
FH604
2
1
4
3
H-0017-2 x 2
POWER SOURCE
FILTER PCB ( MAIN )
K07CH-0900HUE-FL0
2013.01.30
15
OUTDOOR UNIT

Related product manuals