EasyManua.ls Logo

Fujitsu ARTG60LHTA

Fujitsu ARTG60LHTA
30 pages
To Next Page IconTo Next Page
To Next Page IconTo Next Page
To Previous Page IconTo Previous Page
To Previous Page IconTo Previous Page
Loading...
1 2 3 4 5 6 7 8
1 2 3 4 5 6 7 8
1 2 3 4 5 6 7 8
1 2 3 4 5 6 7 8 1 2 1 2 1 2 1 2 3 4 5 6 7 8 9 1 2 3 4 5 6 7
1 2 3 4 5 6 7 8 9 1 2 3 4 5 6 7
1 2 3 4 5 6 7
1 2 3 4 5 6 7
1 2 3 4 5 6 7 8 9
1 2 3 4 5 6 7 8 9
1 2 3 4 5
1 2 3 4 5
1 2 1 2 1 2 3
1 2 1 2 1 2 3 1 2 3 1 2 3
1 2 3 1 2 3
1 2 3 1 2 3
1 2 3 1 2 3
1 2 1 2
1 2 1 2
1 2 3 4 5 6
1 2 3 4 5 6 1 2 3 4 5 6
1 2 3 4 5 6 1 2 3 4 5 6
1 2 3 4 5 6
1 2 3
1 2 3
1 2 3
1 2 3
1
2
3
1
2
3
1
2
3
1
2
3
1
2
1
2
TM203
TM205TM204
W300 W301 W302
CN200
TM202
TM201
TM200
W206
CN630
TM505
TM504
TM300
TM500
TM301
TM501
TM302
TM502
TM806
W
TM805
V
TM804
U
CN801
TM801
TM802
TM803
W800
CN803
CN802
S
C
R
W701
W700
W702
W703
W9 W6
W5
CN7 CN20 CN21
CN104 CN9 CN14
CN1
CN22 CN23 CN24 CN25 CN26 CN27 CN16 CN102 CN103 CN17 CN81 CN82 CN18 CN19
CN101
W1
W3
W4
GREEN
BLACK
WHITE
RED
RED
WHITE
BLACK
BLACK
WHITE
BLACK
BLACK
ORANGE
BLUE
YELLOW
ORANGE
PURPLE
RED
RED
WHITE
WHITE
BLACK
BLACK
BLACK
BLACK
BLACK
BLACK
BLACK
BLACK
BROWN
BROWN
BROWN
BROWN
BLUE
BLUE
BLUE
BLUE
RED
WHITE
BLACK
BLACK
BLACK
RED
BROWN
BLUE
ORANGE
YELLOW
WHITE
BLACK
RED
WHITE
YELLOW
BROWN
BLACK
RED
WHITE
YELLOW
BROWN
WHITE
WHITE
WHITE
WHITE
WHITE
GRAY
GREEN
GREEN
GREEN
BROWN
RED
ORANGE
YELLOW
GREEN
BLUE
RED
WHITE
BLACK
RED
BLACK
WHITE
BLACK
BLUE
WHITE
RED
BROWN
ORANGE
YELLOW
GREEN
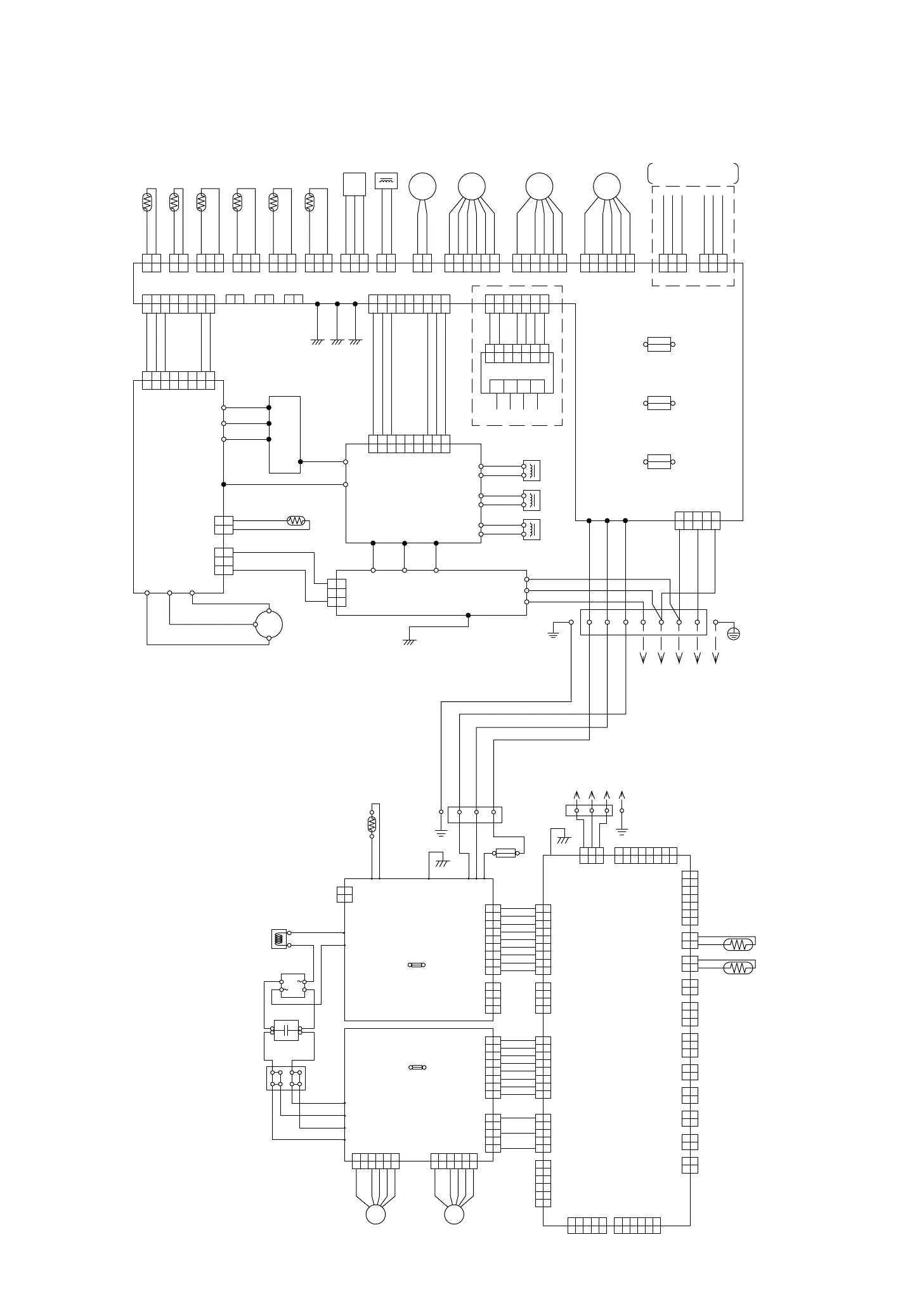
REACTOR
x 3
TO SMART METER
1
2
3
C
COMPRESSOR
THERMISTOR
( HEATSINK INV. )
C M
TERMINAL
1 2 3 L1
L2
L3 N
POWER SOURCE
FUSE
F1
5A
250V
FUSE
F2
3.15A
250V
FUSE
F3
10A
250V
OPTION ( CONNECTION )
REFER TO THE
TECHNICAL MANUAL
FAN MOTOR 2
( LOWER )
FAN MOTOR 1
( UPPER )
EXPANSION
VA
LVE COIL
SOLENOID COIL
REACTOR ( FAN )
PRESSURE SENSOR
THERMISTOR
( COMP.
TEMP. )
THERMISTOR
( OUTDOOR T
EMP. )
THERMISTOR
( HEAT
EXCHANGER OUT )
THERMISTOR
( DISCHARGE PIPE )
THERMISTOR
( HEAT
SINK PFC )
THERMISTOR
( HEAT
EXCHANGER MID. )
MAIN PCB
COMMUNICATION PCB
( OPTION )
ACTIVE FILTER PCB
FILTER PCB
CAPACITOR PCB
TRANSISTOR PCB
4WV
PS
EV FM FM
CIRCUIT DIAGRAM
INDOOR UNIT
OUTDOOR UNIT
2012.06.13 5
BLACK
3
GREEN
WHITE
RED
2 1
3 2 1
CN140 CN30
BLACK
WHITE
RED
GREEN
ORANGE
ORANGE
BROWN
RED
ORANGE
YELLOW
GREEN
BLUE
VIOLET
GRAY
WHITE
BROWN
RED
ORANGE
YELLOW
GREEN
BLUE
VIOLET
GRAY
BROWN
RED
ORANGE
BLACK
BLACK
BLACK
BLACK
YELLOW
BROWN
WHITE
BLACK
RED
YELLOW
BROWN
WHITE
BLACK
RED
YELLOW
GRAYBLUE
RED
WHITE
BLACK
BLACK
BLUE
YELLOW
VIOLET
ORANGE
1
2 3
4
5 6
7
8
1
2 3
4
5 6
7
8
1
2 3
4
5
1
2 3
4
5
1
2 3
4
5 6
1
2 3
4
5 6
1
2
3
4
5
6
7
8
6
5 4
3
2 1
6
5 4
3
2 1
6
5 4
3
2 1
6
5 4
3
2 1
1
2
3
4
5
6
7
8
1
2
3
4
5
1
2
3
4
5
1
2
3
4
1
2
3
4
1
2
3
4
5
6
7
8
9
1
2
3
4
5
6
7
8
9
1
2
3
4
5
6
7
8
9
1
2
3
4
5
6
7
8
9
1
2
3
4
1
2
3
4
1
2
3
4
5
6
7
8
1
2
3
4
5
6
7
8
1
2
3
4
5
1
2
3
4
5
1
2
3
4
5
6
1
2
3
4
5
6
1
2
3
4
5
6
7
1
2
3
4
5
6
7
1
2
1
2
1
2
1
2
1
2
1
2
1
2
3
1
2
3
1
2
3
1
2
3
1
2
1
2
1
2
1
2
1
2
1
2
1
2
1
2
1
2
1
2
CN530 CN500
CN250
CN200
W501
FUSE
W500
W531
W530
F600
3.15A
250V
F301
3.15A
250V
W307
W305
FUSE
20A
250V
CN352
CN351
FUSE
CN301
W310
W309
W304
W303
W301
W302
1
2
1
2
CN170
CN70
CN81
CN31
CN80
CN130
CN110
CN114
CN111
CN120
CN103
CN100
CN101
CN102
CN160
CN161
CN60
CN180
W101
INDICATOR PCB
FLASH
TO WIRED REMOTE CONTROL
TERMINAL
TERMINAL
3
2
1
3
2 1
POSISTOR
DRAIN PUMP
REACTOR
DIODE BRIDGE
CAPACITOR
TERMINAL
+
+
-
FM
FM
PCS
FAN MOTOR 2 FAN MOTOR 1
TEST E.E.V.
THERMISTOR
( PIPE - MID. TEMP. )
THERMISTOR
( ROOM T
EMP. )
THERMISTOR
( PIPE - ENT.
TEMP. )
FLOAT SWITCH
EX. I N
EX. OUT 1
FRESH AIR
HEATER
EX. OUT 3
EX. OUT 2
FILTER PCB
POWER SUPPLY PCB
MAIN PCB

Other manuals for Fujitsu ARTG60LHTA

Related product manuals