EasyManua.ls Logo

FUNAI D8A-M1000DB - Page 24

FUNAI D8A-M1000DB
68 pages
Print Icon
To Next Page IconTo Next Page
To Next Page IconTo Next Page
To Previous Page IconTo Previous Page
To Previous Page IconTo Previous Page
Loading...
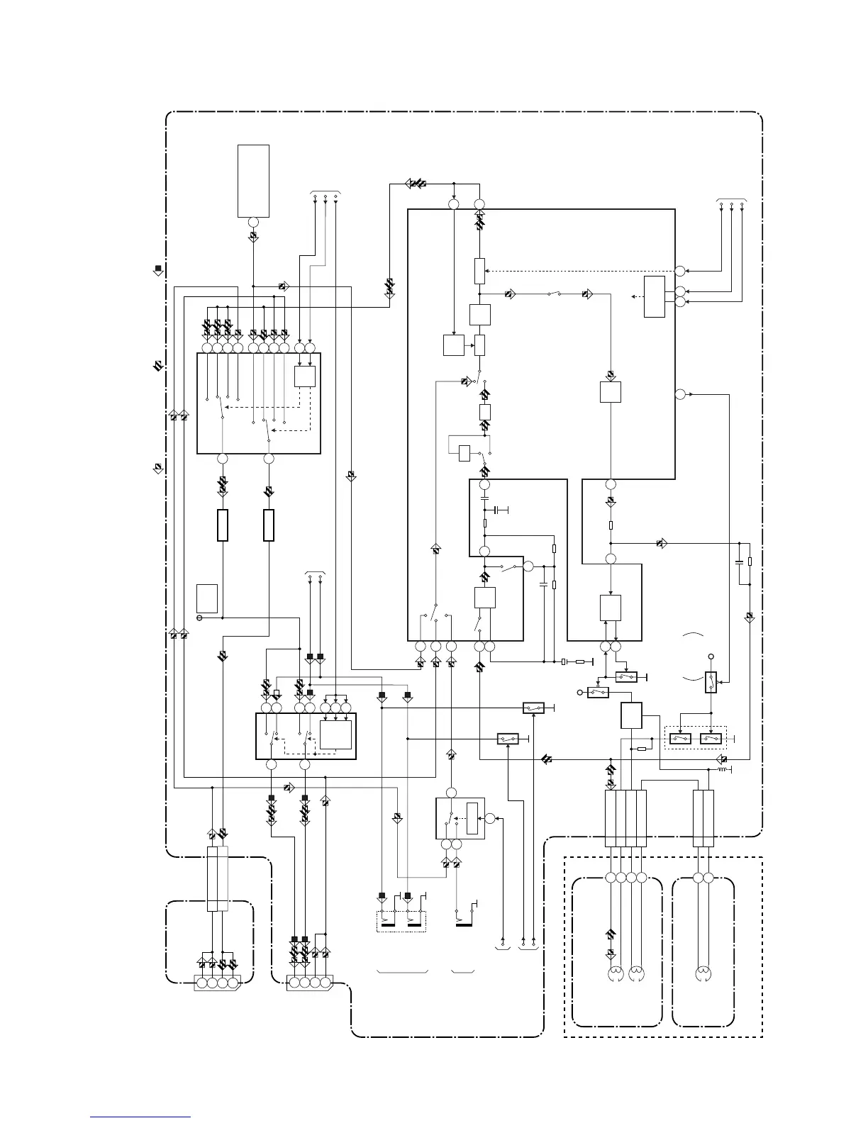
1-11-3
Audio Block Diagram
E8GA0BLA
REC
AMP
100
3
AUTO
BIAS
2
1
+5V
+5V
Q404
Q406
BIAS
OSC
Q403
Q401
(PB=ON)
Q405
SWITCHING
D-REC-OFF
5
EQ
AMP
98
7
LINE
AMP
REC-ON
AUDIO HD-SW
CONTROL
MUTE
11
6
PB-ON
SP/LP-ON
P
TUNER
IN2
IN1
R
ALC
DET
ALC
IC301
(AUDIO SIGNAL PROCESS)
3
AUDIO-PB/REC
CN504
4 A-COM
6 AE-H
5 AE-H/FE-H
AUDIO
HEAD
AUDIO
ERASE
HEAD
ACE HEAD ASSEMBLY
FE HEAD
2 FE-H
1 FE-H-GND
CN501
MAIN CBA
PB-AUDIO SIGNALREC-AUDIO SIGNAL
Mode : SP/REC
71
AUDIO-MUTE-H
IIC-BUS SCL
IIC-BUS SDA
TO SERVO/SYSTEM
CONTROL BLOCK
DIAGRAM
FULL
ERASE
HEAD
68 69
SERIAL
DECODER
(DECK ASSEMBLY)
12
16
INV
AT T
2
6
1
3
JK1402
AUDIO(R)-IN2
AUDIO(L)-IN2
AUDIO(R)-OUT2
AUDIO(L)-OUT2
JACK-A CBA
AUDIO-IN2
55
AUDIO-OUT2
11
CN2017CN2018
JK101
AUDIO(R)-OUT1
AUDIO(L)-OUT1
2
6
1
3
AUDIO(R)-IN1
AUDIO(L)-IN1
IC751
(OUTPUT SELECT)
12
13
14
15
2
1
11
10
9
SW
CTL
VCR
DVD
VCR
DVD
TO SERVO/ SYSTEM
CONTROL BLOCK
DIAGRAM
OUTPUT-SELECT
DVD AUDIO SIGNAL
REAR
JK751
AUDIO(R)
-OUT
AUDIO(L)
-OUT
SW CTL
13
IC1404
(INPUT SELECT)
12
11
14
17
15
13
FRONT
JK754
AUDIO
-IN
TO SERVO/SYSTEM
CONTROL BLOCK
DIAGRAM
FRONT-AV
SW
CTL
IC151 (SWITCHING)
PB/EE
PB/EE
PB/EE
PB
TUNER
IN2
IN1
IN1
AUDIO-SW1
AUDIO-SW2
1
5
2
4
12
14
15
11
10
9
3
13
BUFFER
Q156
BUFFER
Q157
TU701(TUNER UNIT)
AUDIO OUT21
DVD-AUDIO(R)-OUT
DVD-AUDIO(L)-OUT
TO DVD VIDEO/AUDIO
BLOCK DIAGRAM
<DVD SECTION>
Q753
Q754
AUDIO(L)-MUTE
AUDIO(R)-MUTE
TO DVD VIDEO/AUDIO
BLOCK DIAGRAM
<DVD SECTION>
TP401
JK1-A-
OUT(L)

Related product manuals