EasyManua.ls Logo

FUNAI D8A-M1000DB - Page 39

FUNAI D8A-M1000DB
68 pages
Print Icon
To Next Page IconTo Next Page
To Next Page IconTo Next Page
To Previous Page IconTo Previous Page
To Previous Page IconTo Previous Page
Loading...
1-12-11
E8GA0SCJ
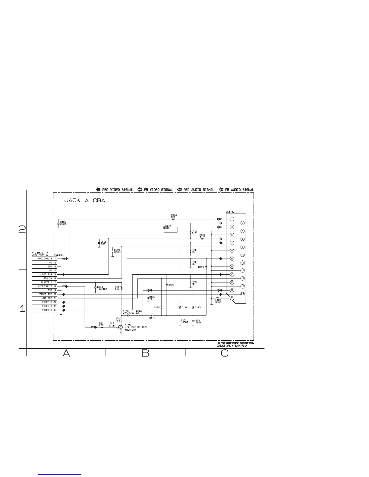
Jack - A Schematic Diagram < VCR Section >

Related product manuals