EasyManua.ls Logo

FUNAI DPVR-2600 - Page 35

FUNAI DPVR-2600
99 pages
Print Icon
To Next Page IconTo Next Page
To Next Page IconTo Next Page
To Previous Page IconTo Previous Page
To Previous Page IconTo Previous Page
Loading...
1-10-15
1-10-16
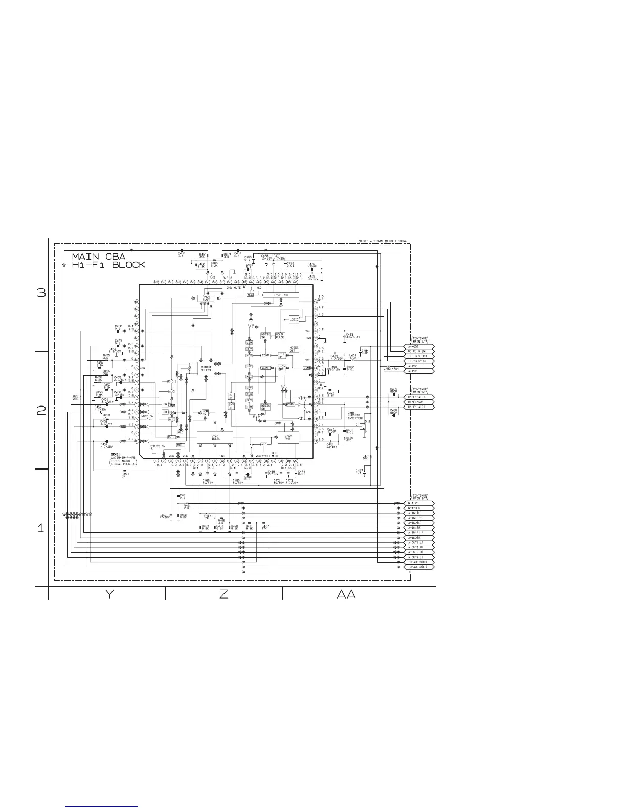
Main 5/7 Schematic Diagram < VCR Section >
H9300SCM5

Related product manuals