EasyManua.ls Logo

FUNAI DRV-A2677 - Page 29

FUNAI DRV-A2677
86 pages
Print Icon
To Next Page IconTo Next Page
To Next Page IconTo Next Page
To Previous Page IconTo Previous Page
To Previous Page IconTo Previous Page
Loading...
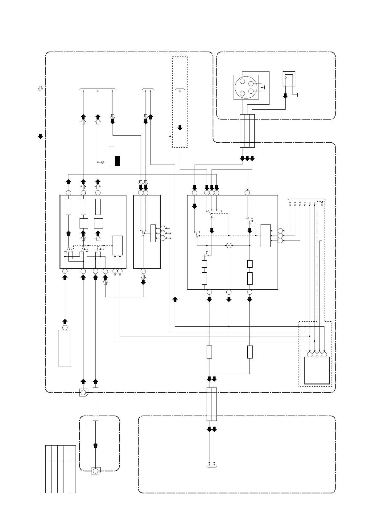
1-11-4
Video Input Select Block Diagram
E9700BLVIS
TO DIGITAL
SIGNAL
PROCESS
BLOCK
DIAGRAM
REC VIDEO SIGNAL PB VIDEO SIGNAL
MAIN CBA
(VIDEO INPUT SELECT)IC1507
VCR
VCR
DVD
VIDEO
TU/LINE
MUTE
MUTE
MUTE
S-VIDEO-Y
S-VIDEO-C
JK1204
S-VIDEO
IN
(FRONT)
3 4
21
YC
VIDEO-IN
(FRONT)
JK1201
19
20
15
8
10
12
21
4
22 23 24
VIDEO-SW2
TO SERVO/SYSTEM CONTROL
BLOCK DIAGRAM
VIDEO-SW3
TU1501 (TUNER UNIT)
24
VIDEO OUT
CONTROL
LOGIC
OUTPUT-SELECT
BUFFER
LPF
BUFFER LPF
DVD MAIN CBA
CN601
21 21
VIDEO-Y/CVBS
23 23VIDEO-C
CN1502
CN1505
22FRONT-Y-IN
11FRONT-C-IN
44
FRONT-VIDEO-IN
CN1201
Q1520
BUFFER
Q1521,
Q1541
BUFFER
VIDEO-SW1
VIDEO-Y/CVBS
VIDEO-C
IC1518 (VIDEO INPUT SELECT)
IC1508 (SW)
29
33
32
28
1
3
5
30
31
6dB
AMP
CONTROL
LOGIC
SW CTL
6dB
AMP
DRIVER
BUFFER
DRIVER
JK1502
20
VIDEO IN
20
CN2001 CN1507
JK2-VIDEO-IN
11
11
REAR JACK CBA
FRONT JACK CBA
JK2001
JK2
-VIDEO-IN
VIDEO-OUT2
VIDEO-OUT1
DVD-VIDEO
PB/EE-VIDEO
VCR-VIDEO
TO VIDEO
OUTPUT SELECT
BLOCK DIAGRAM
TO VIDEO
BLOCK DIAGRAM
TO VIDEO
BLOCK DIAGRAM
IIC-BUS SDA
IIC-BUS SCL
3
5
109 11
4
VCR-VIDEO(DUB)
(VCR DVD DUBBING)
J236
JK1-V-OUT
WF3
IC1511 (VPS)
VPS-V
SDA
DAVN-L
SCL
6
14
7
16
DAVN-L
B,D
Comparison Chart of
Models & Marks
Model Mark
DRV-A2621
DRV-A2677
DRV-A2631
DRV-B2737
A
B
C
D

Related product manuals