EasyManua.ls Logo

FUNAI DRV-A2677 - Page 40

FUNAI DRV-A2677
86 pages
Print Icon
To Next Page IconTo Next Page
To Next Page IconTo Next Page
To Previous Page IconTo Previous Page
To Previous Page IconTo Previous Page
Loading...
1-12-6
E9700SCM4
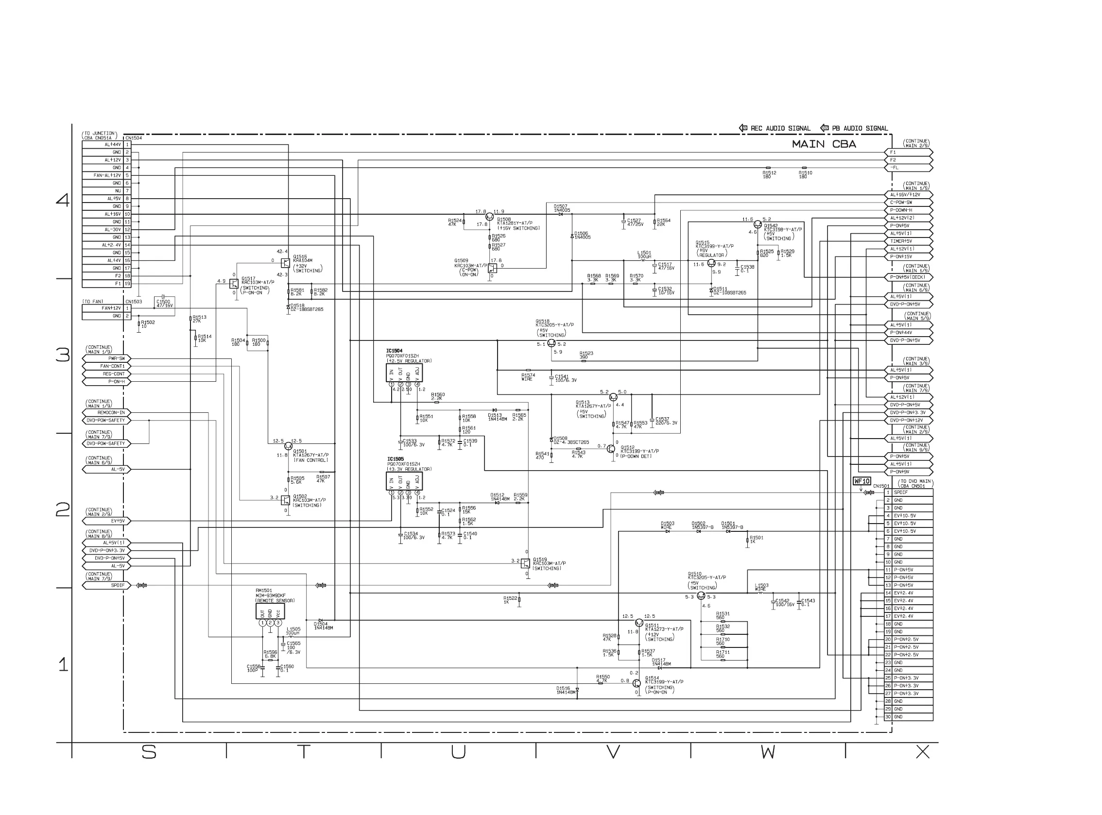
Main 4/9 Schematic Diagram < VCR Section >

Related product manuals