EasyManua.ls Logo

FUNAI DRV-A2677 - Page 44

FUNAI DRV-A2677
86 pages
Print Icon
To Next Page IconTo Next Page
To Next Page IconTo Next Page
To Previous Page IconTo Previous Page
To Previous Page IconTo Previous Page
Loading...
1-12-10
E9700SCM8
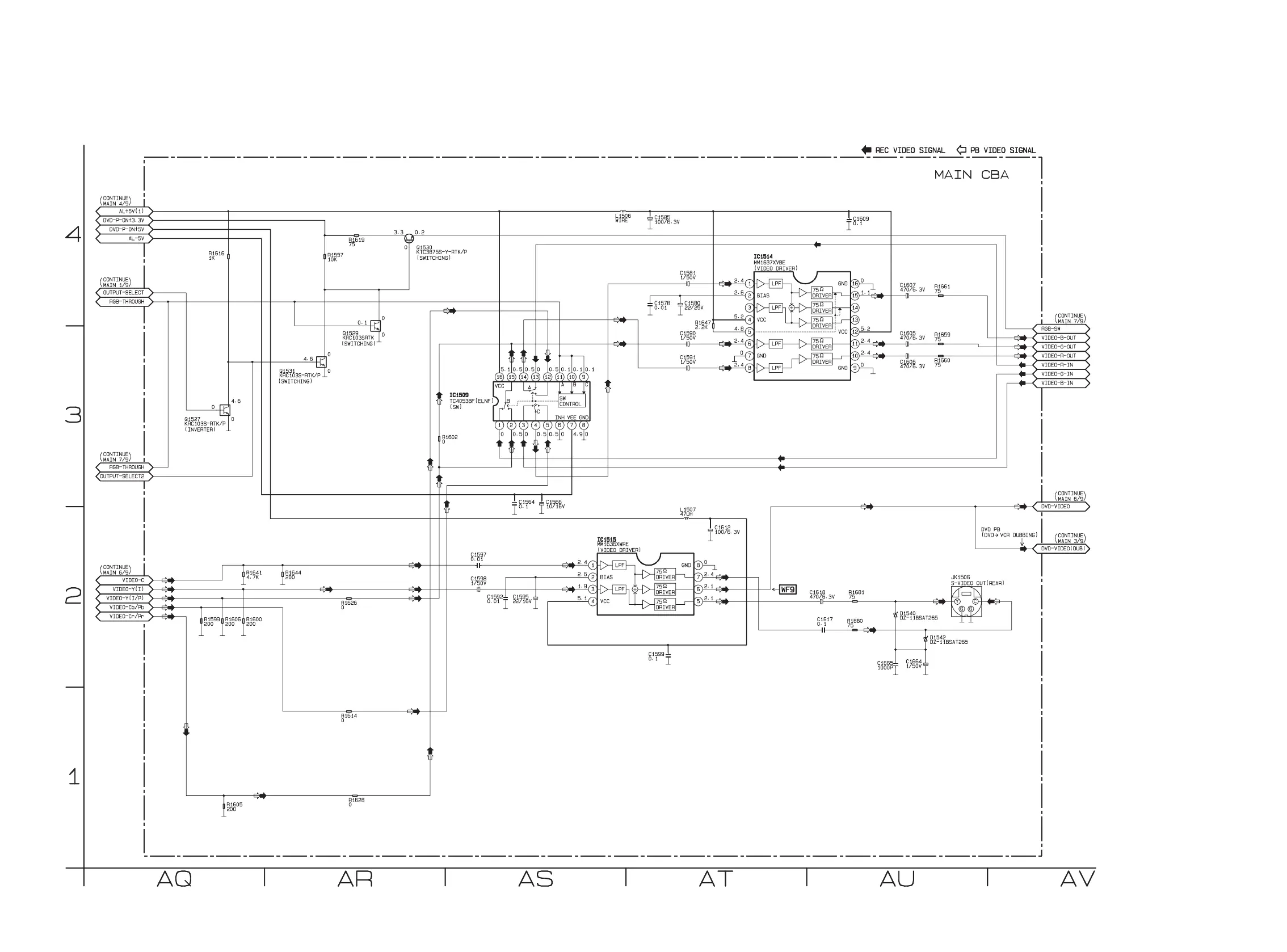
Main 8/9 Schematic Diagram < VCR Section >

Related product manuals