EasyManua.ls Logo

FUNAI DRV-A2677 - Page 48

FUNAI DRV-A2677
86 pages
Print Icon
To Next Page IconTo Next Page
To Next Page IconTo Next Page
To Previous Page IconTo Previous Page
To Previous Page IconTo Previous Page
Loading...
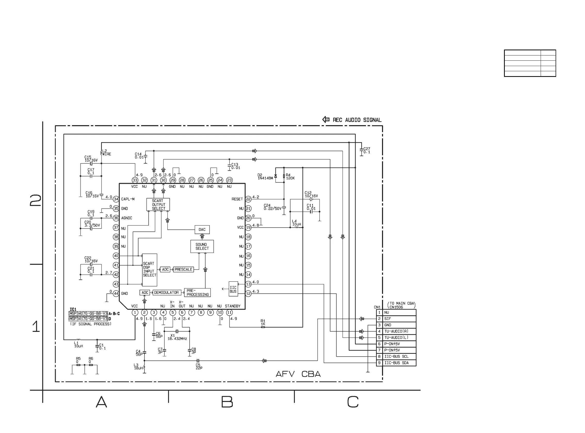
1-12-14
E9700SCAFV
AFV Schematic Diagram < VCR Section >
Comparison Chart of
Models and Marks
MODEL MARK
DRV-A2621 A
DRV-A2677 B
DRV-A2631 C
DRV-B2737 D

Related product manuals