EasyManua.ls Logo

FUNAI DRV-B2737 - Page 32

FUNAI DRV-B2737
86 pages
Print Icon
To Next Page IconTo Next Page
To Next Page IconTo Next Page
To Previous Page IconTo Previous Page
To Previous Page IconTo Previous Page
Loading...
1-11-7
E9700BLAS
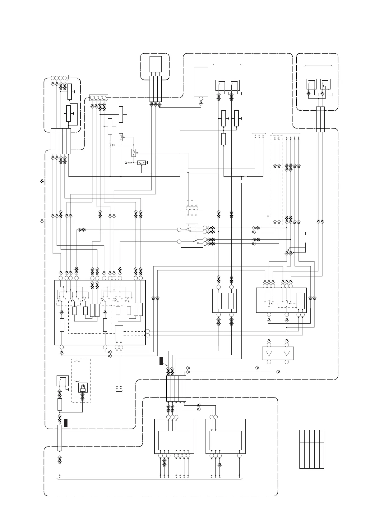
Audio Input/Output Select Block Diagram
REC AUDIO SIGNAL PB AUDIO SIGNAL
IC901
(AUDIO D/A CONVERTER)
DIGITAL
AUDIO OUT
(COAX1AL)
DIGITAL
AUDIO OUT
(OPTICAL)
JK1503
DVD-AUDIO-MUTE
RGB-THROUGH
DVD-AUDIO(L)
DVD-AUDIO(R)
PB/EE-AUDIO(L)
PB/EE-AUDIO(R)
VCR-AUDIO(L)
VCR-AUDIO(R)
JK1504
JK1505
REAR
BUFFER
Q1534
Q1532 Q1539
AUDIO(L)
-OUT
MAIN CBA
FRONT JACK CBA
DVD MAIN CBA
AUDIO(R)
-OUT
JK1202
AUDIO(L)
-IN
AUDIO(R)
-IN
JK1203
SIF OUT
11SPDIF
17 17
AUDIO(L)-OUT
15 15
AUDIO(R)-OUT
19 19
DVD-AUDIO-MUTE
13 13
AUDIO(L)-IN
11 11
AUDIO(R)-IN
44
TU-AUDIO(R)
2
2
JK2-AUDIO-MUTE
22
SIF
55
TU-AUDIO(L)
44
JK2-AUDIO(L)-OUT
77
JK2-AUDIO(L)-IN
66
JK2-AUDIO(R)-IN
11
JK2-AUDIO(R)-OUT
(
OP AMP
)
IC1506
TO
DIGITAL
SIGNAL
PROCESS
BLOCK
DIAGRAM
TU1501 (TUNER UNIT)
AUDIO D/A
CONVERTER
22
10
24
6
8
27
33
32
13 15
26
25
1
7
2
6
(AUDIO INPUT SELECT)
(VCR DVD DUBBING))
IC1501
3
13
4
5
11
1
12
14
MUTE-ONDRIVE
Q1540
MUTE-ON
9
10
7
6
8
15
14
16
4
3
5
IC902
(AUDIO A/D CONVERTER)
AUDIO A/D
CONVERTER
10
11
12
1
2
15
SPDIF
CN501
CN1501
CN601 CN1502
BCK
DATA
LRCK
MD
MC
SCK
2
MS
L-CH
R-CH
MUTE
BCK
DATA
LRCK
SYSCLK
R-CH
L-CH
VCR
FRONT
(L-CH)
VCR
TU/IN1/2
TU/IN1/2
FRONT
(R-CH)
SW CTL
SW
CTL
(OP AMP)IC1513
(SW)
IC1508
OP AMP
OP AMP
2
6
1
7
TO SERVO/SYSTEM
CONTROL
BLOCK DIAGRAM
TO Hi-Fi AUDIO
BLOCK DIAGRAM
WF10
WF8
FIBER OPTIC
TRANS MODULE
Q1537Q1535
Q1536
Q1507
Q1527
+5V
MUTE-ON
Q1538
MUTE-ON
Q2002,
Q2004
MUTE-ON
Q2003,
Q2005
MUTE-ON
IF SINAL
PROCESS
AFV CBA
REAR JACK CBA
CN1506
CN1507
CN2001
CN1
6
6
6
AUDIO(L)-IN-F
88
AUDIO(R)-IN-F
CN1505
CN1201
JK2001
AUDIO(R)-IN2
AUDIO(L)-OUT2
AUDIO(R)-OUT2
2
AUDIO(L)-IN26
1
3
JK1502
AUDIO(R)-IN1
AUDIO(L)-OUT1
AUDIO(R)-OUT1
2
AUDIO(L)-IN16
1
3
IC1518 (INPUT/OUTPUT SELECT)
AMP
AMP
BUFFER
DRIVER
DRIVER
16
20
12
14
23
22
21
AMP
AMP
BUFFER
LOGIC
CONTROL
DRIVER
DRIVER
IIC-BUS SCL
TO SERVO/SYSTEM
CONTROLBLOCK
DIAGRAM
IIC-BUS SDA
OUTPUT-SELECT
14 15
13 12 1 2
9
10
11
(DVD VCR DUBBING))
FRONT
Comparison Chart of
Models & Marks
Model Mark
DRV-A2621
DRV-A2677
DRV-A2631
DRV-B2737
A
B
C
D
B,D

Related product manuals