EasyManua.ls Logo

FUNAI DRV-B2737 - Page 41

FUNAI DRV-B2737
86 pages
Print Icon
To Next Page IconTo Next Page
To Next Page IconTo Next Page
To Previous Page IconTo Previous Page
To Previous Page IconTo Previous Page
Loading...
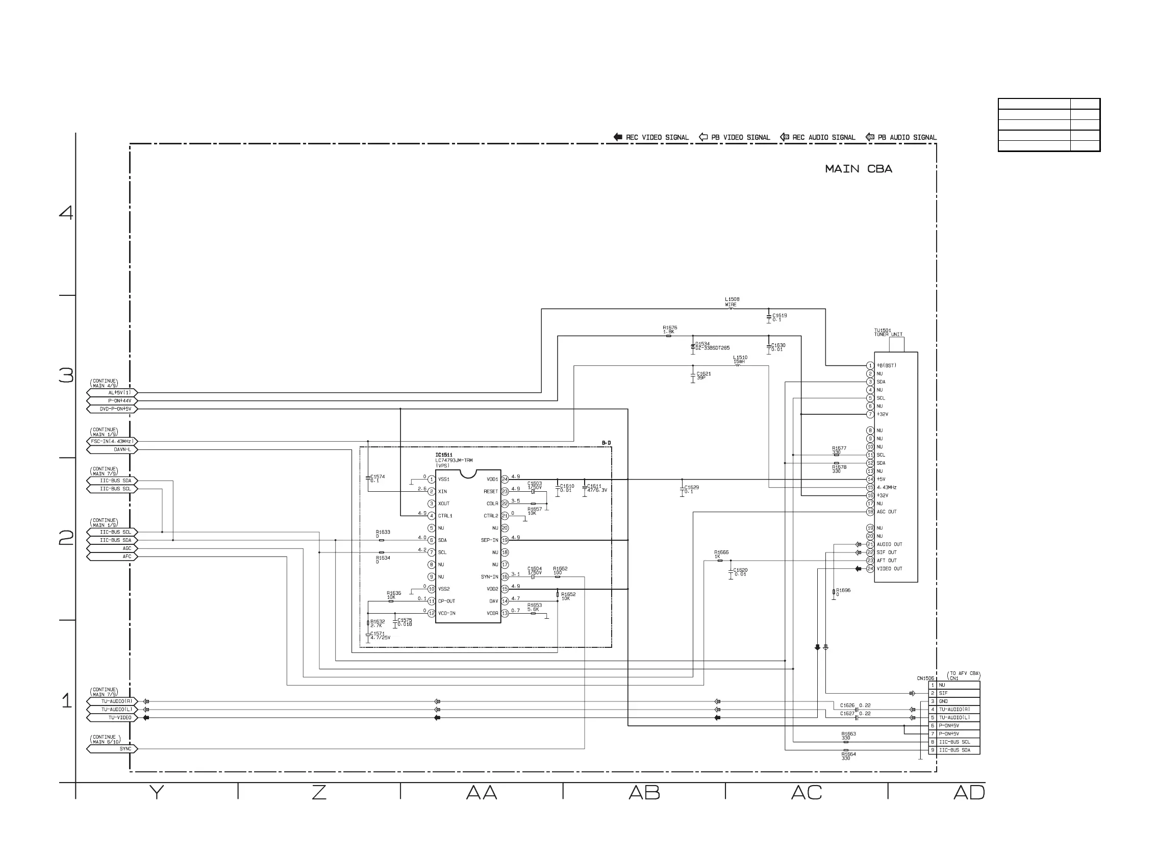
1-12-7
E9700SCM5
Main 5/9 Schematic Diagram < VCR Section >
Comparison Chart of
Models and Marks
MODEL MARK
DRV-A2621 A
DRV-A2677 B
DRV-A2631 C
DRV-B2737 D

Related product manuals