EasyManua.ls Logo

FUNAI DRV-B2737 - Page 45

FUNAI DRV-B2737
86 pages
Print Icon
To Next Page IconTo Next Page
To Next Page IconTo Next Page
To Previous Page IconTo Previous Page
To Previous Page IconTo Previous Page
Loading...
1-12-11
E9700SCM9
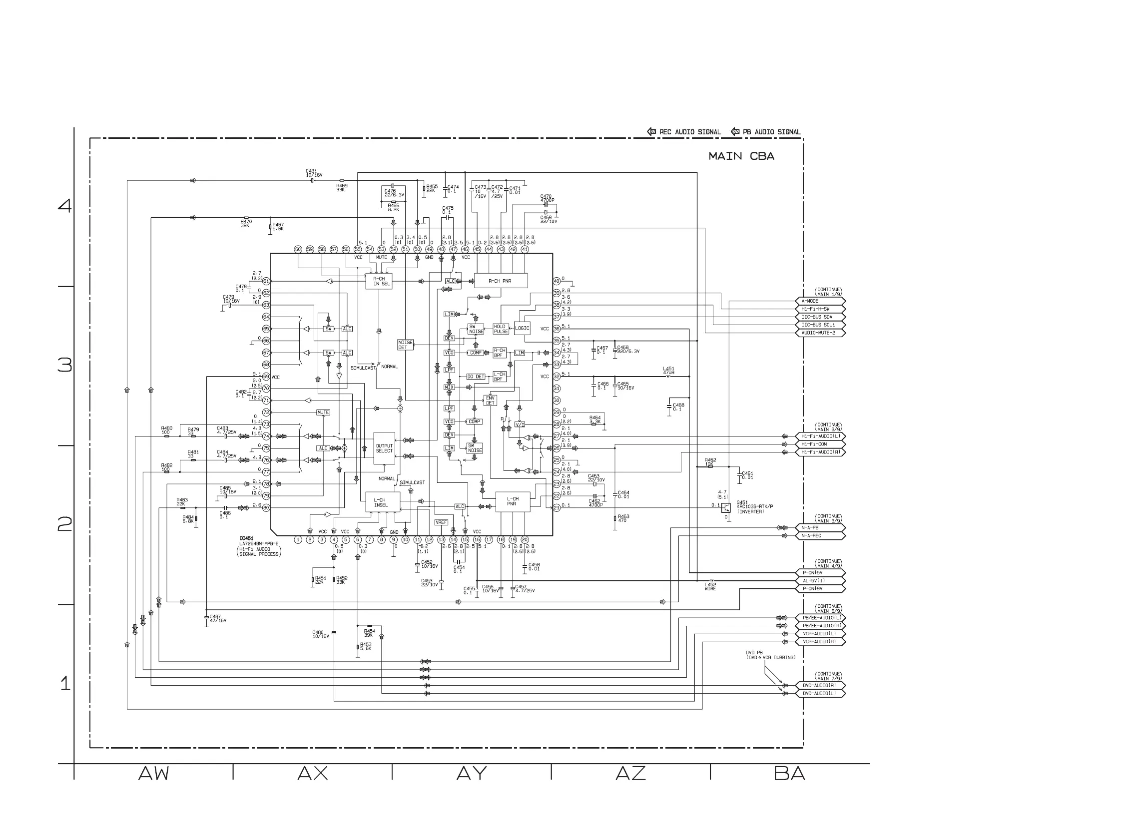
Main 9/9 Schematic Diagram < VCR Section >

Related product manuals