EasyManua.ls Logo

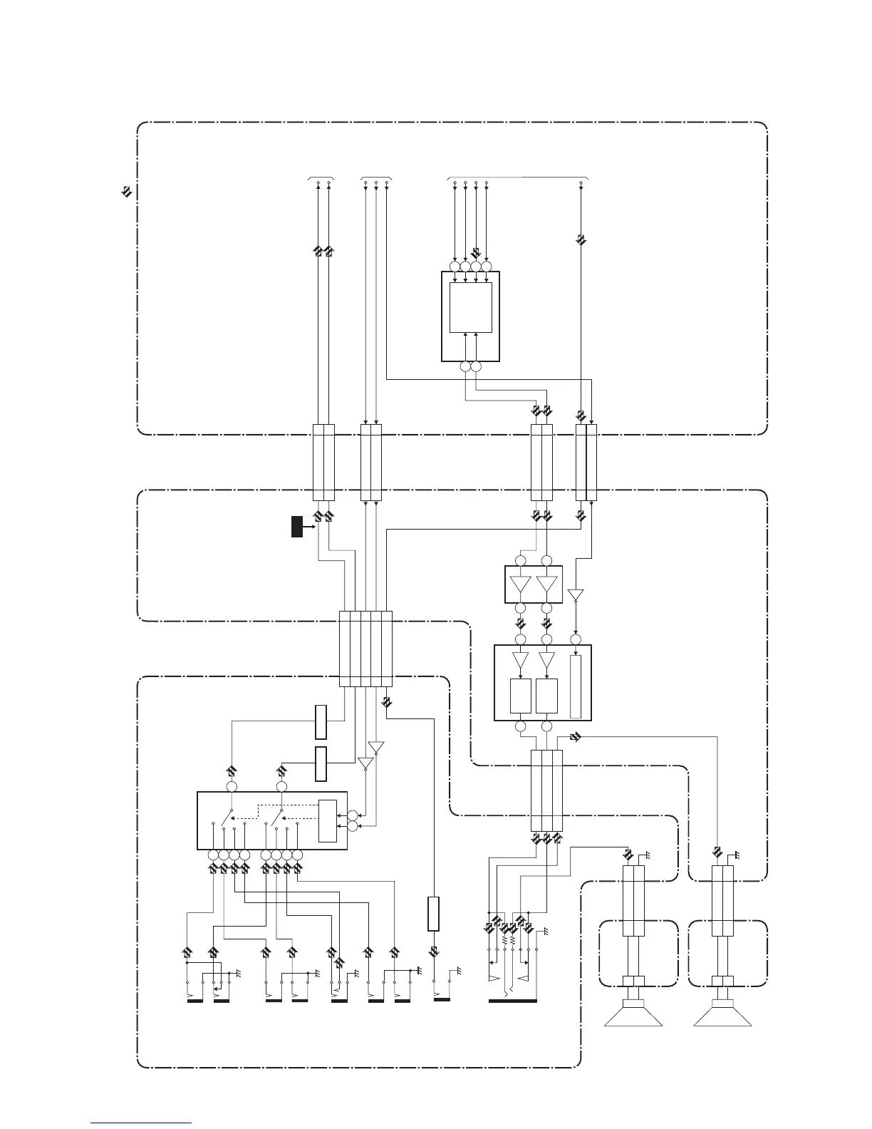
FUNAI LC195SLX - Audio Block Diagram

FUNAI LC195SLX
250 pages
Print Icon
To Next Page IconTo Next Page
To Next Page IconTo Next Page
To Previous Page IconTo Previous Page
To Previous Page IconTo Previous Page
Loading...
9-3
Audio Block Diagram
A91N3BLA
IC771
(AUDIO SELECTOR)
HDMI-
AUDIO(L)-IN
HDMI-
AUDIO(R)-IN
JK721
JK722
COMPONENT-
AUDIO(L)-IN
COMPONENT-
AUDIO(R)-IN
JK741
JK742
PC-AUDIO-IN
JK711
2
4
1
5
15
11
12
14
JACK CBA
AUDIO(L)
-IN
AUDIO(R)
-IN
JK753
JK754
CN3702CN302
AUDIO(L)13 13
AUDIO(R)11 11
CN702CN701
CN702CN701
AUDIO(L)13 13
AUDIO(R)15 15
CN3702CN302
INPUT110 10
INPUT012 12
CN3701CN301
AMP(L)-OUT66
AMP(R)-OUT88
MAIN CBA
DIGITAL MAIN CBA UNIT
8
4
6
IC801 (AUDIO AMP)
1
9
MUTE CONTROL
DRIVE
CN302
CN3702
AUDIO-MUTE 2020
JK841
DIGITAL
AUDIO-OUT
(COAXIAL)
Q841
Q771
Q722
BUFFER
SPDIF
22
SPDIF
2323
Q801
CONTROL
LOGIC
3
109
13
IC803
(OP AMP)
1 3
7
5
DRIVE
IC3801
(D/A CONVERTER)
D/A
CONVERTER
15
14
8
7
6
5
(L-CH)
(R-CH)
AUDIO(L)
AUDIO(R)
TO
DIGITAL
SIGNAL
PROCESS
BLOCK
DIAGRAM
TO
DIGITAL
SIGNAL
PROCESS
BLOCK
DIAGRAM
INPUT1
LRCLK
BCLK
A DATA 0
ACLK
SPDIF
INPUT0
AUDIO-MUTE
TO
SYSTEM
CONTROL
BLOCK
DIAGRAM
AUDIO SIGNAL
WF7
BUFFER
Q773
BUFFER
Q774
INPUT124 24
INPUT022 22
HEADPHONE(R)
3,43,4
HEADPHONE(L)
9,109,10
SP(R) 1,21,2
JK851
HEADPHONE
JACK
JUNCTION-B
CBA
CL862 CN862B CN862A
SP862
SPEAKER
R-CH
1
2
SP(R)
1,21,2
SP-GND 3,43,4
JUNCTION-C
CBA
CL861 CN861B CN861A
SP861
SPEAKER
L-CH
1
2
SP(L)
1,21,2
SP-GND 3,43,4

Related product manuals