EasyManua.ls Logo

FUNAI LC195SLX - Page 43

FUNAI LC195SLX
250 pages
Print Icon
To Next Page IconTo Next Page
To Next Page IconTo Next Page
To Previous Page IconTo Previous Page
To Previous Page IconTo Previous Page
Loading...
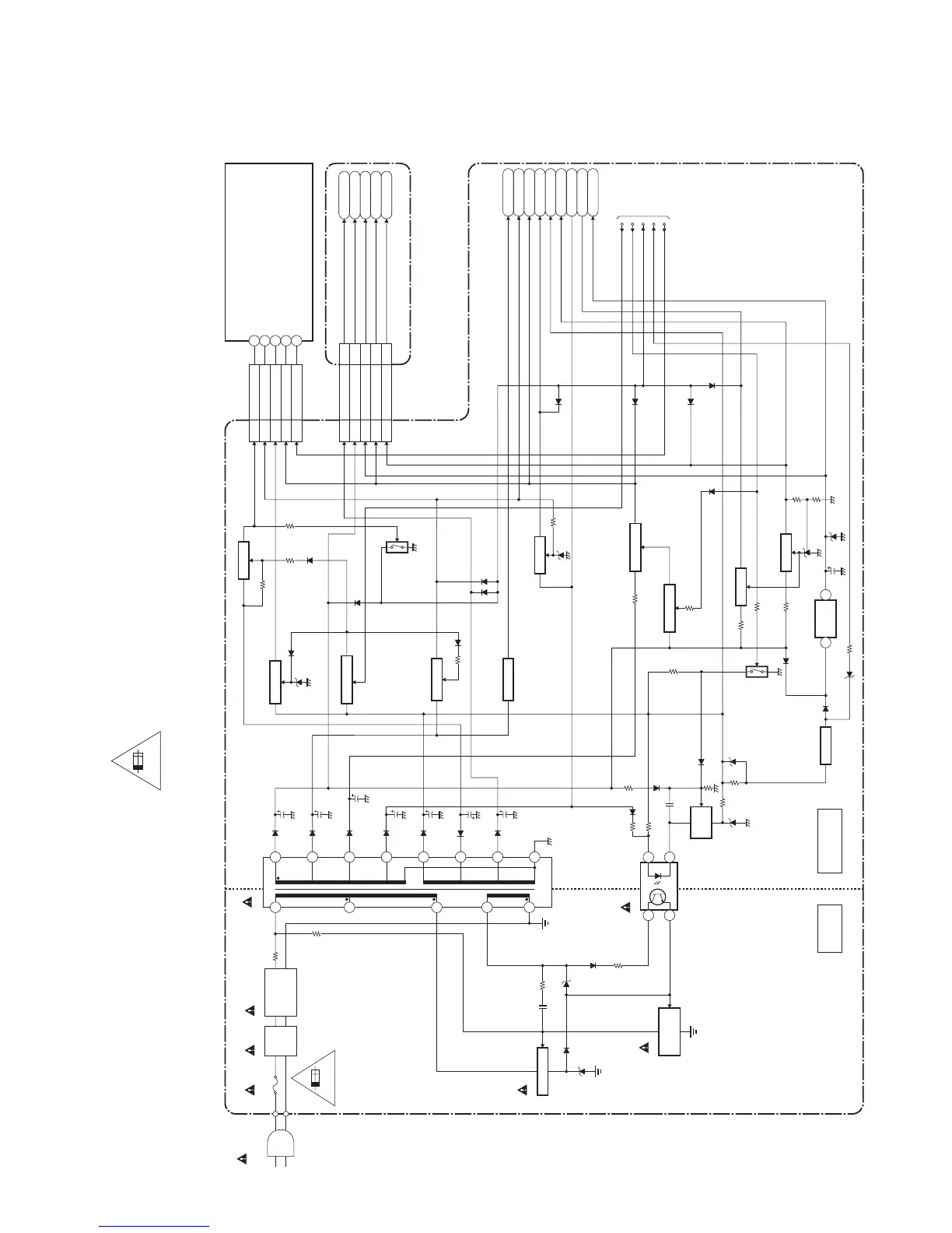
9-9
Power Supply Block Diagram
[22MF339B/F7, LC225SSX]
A9170BLP
HOT COLD
MAIN CBA
HOT CIRCUIT. BE CAREFUL.
Q602
SWITCHING
CONTROL
14
3 2
IC601
T601
2
LINE
FILTER
L601
AC601
AC CORD
BRIDGE
RECTIFIER
D601- D604
4
3
11
15
10
9
16
14
13
12
7
6
FEED
BACK
Q601
SWITCHING
Q631
CN201
CN301 CN3701
Q202,Q203
SWITCHING
Q632
Q206
SW-7.1V
Q402
Q201,D202
SW+13V
Q634
IC631
+3.3V
REG.
23
Q633
Q638,Q639
Q635,Q636
SW+5V
Q637
SW+5V
Q641
SW+9V
Q640,D662
SW+3.3V
4A/125V
F601
4A/125V
P-ON-H1
TO SYSTEM
CONTROL
BLOCK
DIAGRAM
P-ON-H2
+5V REG.
PROTECT2
PROTECT1
SWITCHING
INV+31V
P-ON+5V
AL+3.3V
SP+14V
TUNER+5V
P-ON+9V
P-ON+3.3V
PANEL+13V
PANEL+15V
19,20
21,22
13,14
P-ON+3V
P-ON+7V
AL+3.3V
P-ON+3.3V
P-ON+5V
LCD MODULE ASSEMBLY
DIGITAL MAIN CBA UNIT
PANEL-7.1V8
P-ON+3.3V19,20
P-ON+3.3V6,7
PANEL+24.5V4
PANEL+13V2,3
AL+3.3V21,22
16
10
P-ON+7V16
P-ON+3V10
P-ON+5V13,14
Q205
SW+24.5V
VCOM10
VCOM
SW+12.5V
CAUTION !
Fixed voltage (or Auto voltage selectable) power supply circuit is used in this unit.
If Main Fuse (F601) is blown , check to see that all components in the power supply
circuit are not defective before you connect the AC plug to the AC power supply.
Otherwise it may cause some components in the power supply circuit to fail.
For continued protection against risk of fire,
replace only with same type 4 A, 125V fuse.
CAUTION ! :
ATTENTION : Utiliser un fusible de rechange de même type de 4A, 125V.
4A/125V
NOTE:
The voltage for parts in hot circuit is measured using
hot GND as a common terminal.