EasyManua.ls Logo

Future light SC-780 - Page 12

Future light SC-780
41 pages
Print Icon
To Next Page IconTo Next Page
To Next Page IconTo Next Page
To Previous Page IconTo Previous Page
To Previous Page IconTo Previous Page
Loading...
12
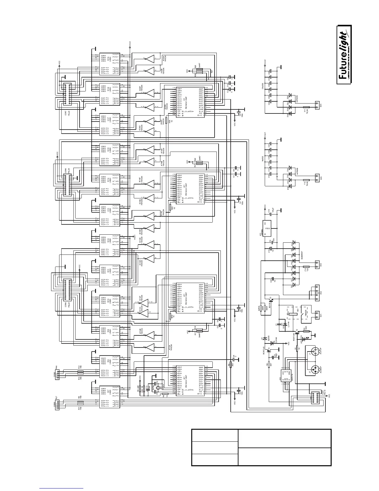
SC - 780
Circuit diagram V.1/0
29.3.1998
3 of 4
Date:
Doc. No.:
Sheet:
Product:
Document:

Related product manuals