EasyManua.ls Logo

FWE P Series - Wiring Diagram

FWE P Series
12 pages
Print Icon
To Next Page IconTo Next Page
To Next Page IconTo Next Page
To Previous Page IconTo Previous Page
To Previous Page IconTo Previous Page
Loading...
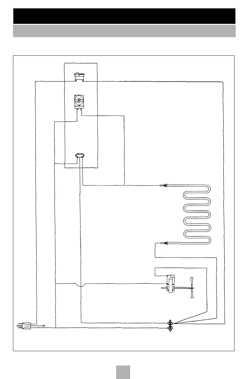
FWE MOBILE HUMI-TEMP HEATED HOLDING CABINETS
WIRING DIAGRAM
PILOT
LIGHT
T-STAT
BLACK
BLACK
POWER
CORD
SWH RCK
WHITE
WHITE
WHITE
ORANGE
BLACK
BLOWER
MOTOR
HEATER
TERMINAL BLOCK
WHITE
RED
RED
10

Related product manuals