EasyManua.ls Logo

GAH Electrastream - Page 21

GAH Electrastream
56 pages
Print Icon
To Next Page IconTo Next Page
To Next Page IconTo Next Page
To Previous Page IconTo Previous Page
To Previous Page IconTo Previous Page
Loading...
3
CONTENTSCONTENTS
CONTENTSCONTENTS
CONTENTS
1 INTRODUCTION1 INTRODUCTION
1 INTRODUCTION1 INTRODUCTION
1 INTRODUCTION
2 OPERA2 OPERA
2 OPERA2 OPERA
2 OPERA
TOR CONTROLSTOR CONTROLS
TOR CONTROLSTOR CONTROLS
TOR CONTROLS
3 TECHNICAL INFORMA3 TECHNICAL INFORMA
3 TECHNICAL INFORMA3 TECHNICAL INFORMA
3 TECHNICAL INFORMA
TIONTION
TIONTION
TION
5 COMMISSIONING5 COMMISSIONING
5 COMMISSIONING5 COMMISSIONING
5 COMMISSIONING
7 F7 F
7 F7 F
7 F
AULAUL
AULAUL
AUL
T FINDINGT FINDING
T FINDINGT FINDING
T FINDING
CONTENTSCONTENTS
CONTENTSCONTENTS
CONTENTS
ImporImpor
ImporImpor
Impor
tant Informationtant Information
tant Informationtant Information
tant Information
----------------------------------------------------------------------------------
----------------------------------------------------------------------------------
----------------------------------------- 4
Section 1 IntrSection 1 Intr
Section 1 IntrSection 1 Intr
Section 1 Intr
oductionoduction
oductionoduction
oduction
1-1 Introduction ---------------------------------------------- 5
1-2 System Layout ------------------------------------------- 8
1-3 Parts Supplied------------------------------------------- 11
1-4 The Electrastream System ------------------------------- 12
1-5 Tri Core Heater Operation -------------------------------- 13
Section 2 Operator ContrSection 2 Operator Contr
Section 2 Operator ContrSection 2 Operator Contr
Section 2 Operator Contr
olsols
olsols
ols
2-1 System Control ------------------------------------------ 14
2-2 Electrastream Control Unit ------------------------------- 16
2-3 Shut Off Valves ------------------------------------------ 20
2-4 Temperature & Pressure Relief Discharge---------------- 22
2-5 Thermostatic Mixing Valve ------------------------------ 22
2-6 Servicing ------------------------------------------------ 22
Section 3 TSection 3 T
Section 3 TSection 3 T
Section 3 T
echnical Informationechnical Information
echnical Informationechnical Information
echnical Information
3-1 Specifications ------------------------------------------- 23
3-2 Dimensions --------------------------------------------- 25
3-3 Wiring --------------------------------------------------- 29
Section 4 InstallationSection 4 Installation
Section 4 InstallationSection 4 Installation
Section 4 Installation
4-1 Building Control ----------------------------------------- 31
4-2 Electrical ------------------------------------------------ 31
4-3 Hot Water System --------------------------------------- 33
4-4 Heating System ----------------------------------------- 37
4-5 Expansion Discharge ------------------------------------ 40
4-6 System Pressure ---------------------------------------- 43
4-7 Electrastream Connections - ---------------------------- 44
Section 5 CommissioningSection 5 Commissioning
Section 5 CommissioningSection 5 Commissioning
Section 5 Commissioning
5-1 Commissioning ----------------------------------------- 47
Section 6 ServicingSection 6 Servicing
Section 6 ServicingSection 6 Servicing
Section 6 Servicing
6-1 Routine Service ----------------------------------------- 50
Section 7 Fault FindingSection 7 Fault Finding
Section 7 Fault FindingSection 7 Fault Finding
Section 7 Fault Finding
7-1 Fault Finding -------------------------------------------- 52
Health & SafetyHealth & Safety
Health & SafetyHealth & Safety
Health & Safety
------------------------------------------------------------
------------------------------------------------------------
------------------------------ Inside Front Cover
6 SERVICING6 SERVICING
6 SERVICING6 SERVICING
6 SERVICING
4 INST4 INST
4 INST4 INST
4 INST
ALLAALLA
ALLAALLA
ALLA
TIONTION
TIONTION
TION
IMPORTANT
BEFORE STARTING THE INSTALLATION OF THE ELECTRASTREAM CHECK ALL COMPONENTS HAVE
BEEN DELIVERED AND ARE IN SATISFACTORY CONDITION - Refer to 1-3 .
HEALHEAL
HEALHEAL
HEAL
TH & SAFETYTH & SAFETY
TH & SAFETYTH & SAFETY
TH & SAFETY
21
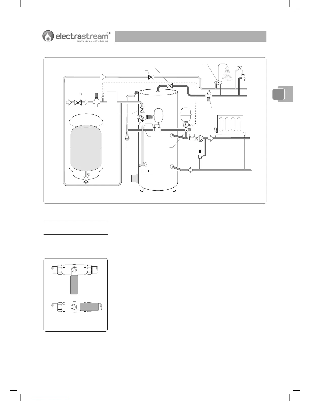
2-3.1 Stop Cock
Normally located at the point where the mains supply enters the dwelling.
Shuts off the mains water supply to the dwelling.
2-3.2 Double Check Valve (If fitted)
Normally located after the Stop Cock. Prevents water back-feeding to main.
Shuts off the mains water supply to the dwelling.
2-3.3 Cold Water Shut Off Valve
Located in the cold feed to the taps/outlets.
Shuts off the cold water to the taps/outlets.
2-3.4 Supply Water Shut Off Valve
Normally located where the cold supply connects to the combination valve on the
cylinder.
Shuts off the cold supply to the Electrastream system.
2-3.5 Hot Water Shut Off Valve
Normally located where the Domestic Hot Water feed comes from the cylinder.
Shuts off the hot water to the taps.
2-3.6 Accumulator Isolating Valve
ELECTRASTREAM PLUS ONLY
Located in the feed from the accumulator. Isolates water in accumulator.
Note
When opening the stop cock turn the valve
fully open then close ½ turn, this prevents
the valve sticking.
OPERAOPERA
OPERAOPERA
OPERA
TOR CONTROLS 2TOR CONTROLS 2
TOR CONTROLS 2TOR CONTROLS 2
TOR CONTROLS 2
Fig. 2-3b Typical Shut Off Valve Locations - Electrastream Plus






















Fig. 2-3c Valves
OPEN
CLOSED
22
22
2

Other manuals for GAH Electrastream